EasyManua.ls Logo

HP 8921A - The RX Test Fields and Their Functions

HP 8921A
601 pages
Print Icon
To Next Page IconTo Next Page
To Next Page IconTo Next Page
To Previous Page IconTo Previous Page
To Previous Page IconTo Previous Page
Loading...
440
Chapter 19, RX Test Screen
Block Diagram
Block Diagram
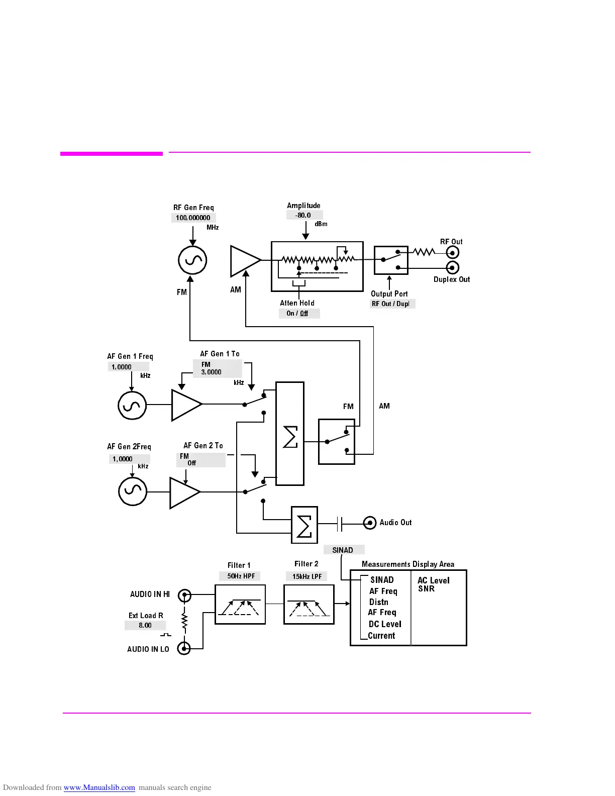
Figure 95 The RX Test Fields and Their Functions
!TTEN(OLD
!-
&-
2&'EN&REQ
-(Z
 

D"M
/N/FF
2&/UT$UP L
/UTPUT0ORT
2&/UT
$UPLEX/UT
!MPLITUDE
!&'EN&REQ
!&'EN4O
!&'EN&REQ
!&'EN4O
&-
!-
K(Z


K(Z
&-
/FF
&-

(Z(0&
K(Z, 0&

&ILTER
&ILTER
!UDIO/UT
!5$)/).()
%XT,OAD2
!5$)/).,/
3).!$
-EASUREMENTS$ISPLAY!REA
K(Z
3).!$
!&&REQ
$ISTN
!&&REQ
$#,EVEL
#URRENT
!#,EVE L
3.2

Table of Contents

Other manuals for HP 8921A

Related product manuals