EasyManua.ls Logo

HP 8921A - AF ANALYZER Functional Block Diagram; Block Diagram

HP 8921A
601 pages
Print Icon
To Next Page IconTo Next Page
To Next Page IconTo Next Page
To Previous Page IconTo Previous Page
To Previous Page IconTo Previous Page
Loading...
96
Chapter 5, AF Analyzer Screen
Block Diagram
Block Diagram
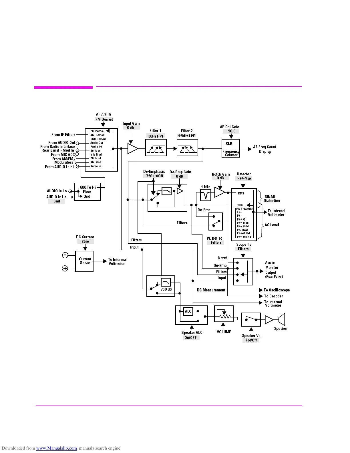
Figure 12 AF ANALYZER Functional Block Diagram
1
The Settling, Gain Cntl, and Ext Load R fields are not shown.
2
Variable Frequency Notch if purchased.
$E%MPHA SIS
$E%MP'AIN
.OTCH 'AIN
D"
D"
!UDIO
-ONITOR
/UTPUT
2EAR0ANEL
4O/SCILLOSCOPE
4O$ECOD ER
4O)NTERNAL
6OLTMETER
3PEAKER
3PEAKER6OL
0OT/FF
6/,5-%
3PEAKER!,#
/N/&&
!,#
$#-EASUREME NT
.OTCH
$E%MP
&ILTERS
)NPUT
U3
)NPUT
&ILTERS
&ILTERS
$E%MP
0K$ET4O
&ILTERS
2-3
2-33124
0+
0+
0+
0+(OLD
0+(OLD
0+(D
0+-X(D
0+-AX
4O)NTERNAL
6OLTMETER
!#,EVEL
3).!$
$ISTORTION
&-$EMOD
!-$EMOD
33"$EMOD
!UDIO/UT
2ADIO)NT
%XT-OD
-IC-OD
&--OD
!--OD
!UDIO)N
&ROM)&&ILTERS
&ROM!5$)//UT
&ROM2ADIO)NTERFACE
2EARPANEL-OD)N
&ROM-)#!##
&ROM!-&-
-ODULATORS
&ROM!5$)/)N (I
2-3
4O)NTERMAL
6OLTMETER
#URRENT
3ENSE
-
+
$##URRE NT
:ERO
!5$)/)N,O
!5$)/)N,O
'ND
'ND
4O(I
&LOAT
US/FF
$ETECTOR
0K-AX
#,+
&REQUENCY
#OUNTER
!&&RE Q#OUNT
$ISPLAY
!&#NT'ATE

&ILTER
(Z(0&
K(Z, 0&
&ILTER
)NPUT'AIN
DB
!&!NT)N
&-$EMOD
3COPE4O
&ILTERS
K(Z

Table of Contents

Other manuals for HP 8921A

Related product manuals