Home
Huawei
Inverter
SUN2000 MAP0 Series
Page 71
Huawei SUN2000 MAP0 Series - Page 71
162 pages
Manual
Save Page as PDF
To Next Page
To Next Page
To Previous Page
To Previous Page
Loading...
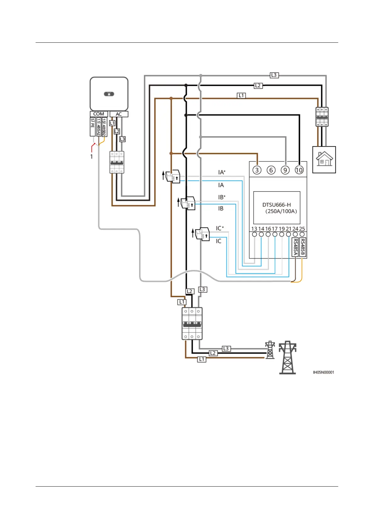
Figure 5-21
D
TSU666-H (250 A/100 A) thr
ee-phase, three-wir
e cable connection
(Smart Dongle networking)
SUN2000-(5K
-12K)-MAP0 Series
User Manual
5 Electrical Connections
Issue 01 (2024-05-13)
Copyright © Huawei Digital Power T
echnologies Co., Ltd.
64
70
72
Table of Contents
Main Page
About this Document
3
Table of Contents
5
Safety Information
8
Personal Safety
9
Electrical Safety
11
Environment Requirements
14
Mechanical Safety
15
Overview
20
Model Number Description
20
Networking Application
21
Appearance
26
Working Modes
28
Label Description
30
Storage Requirements
33
Installation
34
Installation Modes
34
Installation Requirements
34
Site Selection Requirements
34
Clearance Requirements
35
Angle Requirements
37
Tools
38
Checking before the Installation
40
Moving the Inverter
40
Installing the Inverter on a Wall
41
Installing the Inverter on a Support
43
Electrical Connections
46
Precautions
46
Preparing Cables
47
Connecting a PE Cable
51
Connecting an AC Output Power Cable
53
Connecting DC Input Power Cables
57
Optional) Connecting Battery Cables
61
Connecting Signal Cables
63
Connecting RS485 Communications Cables (Inverter Cascading)
68
Connecting RS485 Communications Cables (Power Meter)
70
Connecting RS485 Communications Cables (EMMA)
77
Connecting RS485 Communications Cables (Smartguard)
79
Connecting the Rapid Shutdown Signal Cable
81
Connecting the Grid Scheduling Signal Cable
83
Connecting NS Protection Signal Cables
86
Connecting the Battery Signal Cable
88
Optional) Installing the Smart Dongle and Anti-Theft Components
89
Check before Power-On
92
Power-On and Commissioning
93
Powering on the Inverter
93
Creating a Plant
98
Downloading the Fusionsolar App
98
Installer Registration
99
Creating a Plant and an Owner Account
101
Commissioning Functions and Features
103
Setting Common Parameters
103
Optional) Setting the Energy Measurement Mode
104
Optional) Three-Phase Imbalance Control
106
Optional) Three-Phase Imbalance Control (Smart Dongle Networking)
106
Optional) Three-Phase Imbalance Control (EMMA Networking)
108
Optional) Setting the Physical Layout of the Smart PV Optimizers
109
Afci
110
IPS Check (for Italy CEI0-21 Grid Code Only)
112
DRM (Australia as 4777)
114
Viewing the Plant Creation Status
116
System Maintenance
118
Routine Maintenance
118
System Power-Off
119
Troubleshooting
120
Replacing an Inverter
120
Locating Insulation Resistance Faults
121
Technical Specifications
124
SUN2000-(5K-12K)-MAP0-ZH Technical Specifications
124
SUN2000-(5K-12K)-MAP0 Technical Specifications
130
A Grid Codes
138
B Connecting the Inverter on the App
146
C Connecting the EMMA on the App
150
D Resetting a Password
151
E Rapid Shutdown
152
F Baud Rate Negotiation
153
G Contact Information
157
H Digital Power Customer Service
159
I Certificate Management and Maintenance
160
Preconfigured Certificate Risk Disclaimer
160
Application Scenarios of Preconfigured Certificates
161
J Acronyms and Abbreviations
162
Related product manuals
Huawei SUN2000-M1
29 pages
Huawei SUN2000-M2
26 pages
Huawei SUN2000 12K-MB0
2 pages
Huawei SUN2000-6KTL-M1
142 pages
Huawei SUN2000-8KTL-M1
142 pages
Huawei SUN2000-3KTL-M1
124 pages
Huawei SUN2000-60KTL-M0
140 pages
Huawei SUN2000-20KTL-M3
142 pages
Huawei SUN2000-50KTL-M0
140 pages
Huawei SUN2000 M0 Series
113 pages
Huawei SUN2000 M5 Series
114 pages
Huawei SUN2000 MB0 Series
139 pages