EasyManua.ls Logo

Huawei SUN2000 MAP0 Series - Page 72

Huawei SUN2000 MAP0 Series
162 pages
Print Icon
To Next Page IconTo Next Page
To Next Page IconTo Next Page
To Previous Page IconTo Previous Page
To Previous Page IconTo Previous Page
Loading...
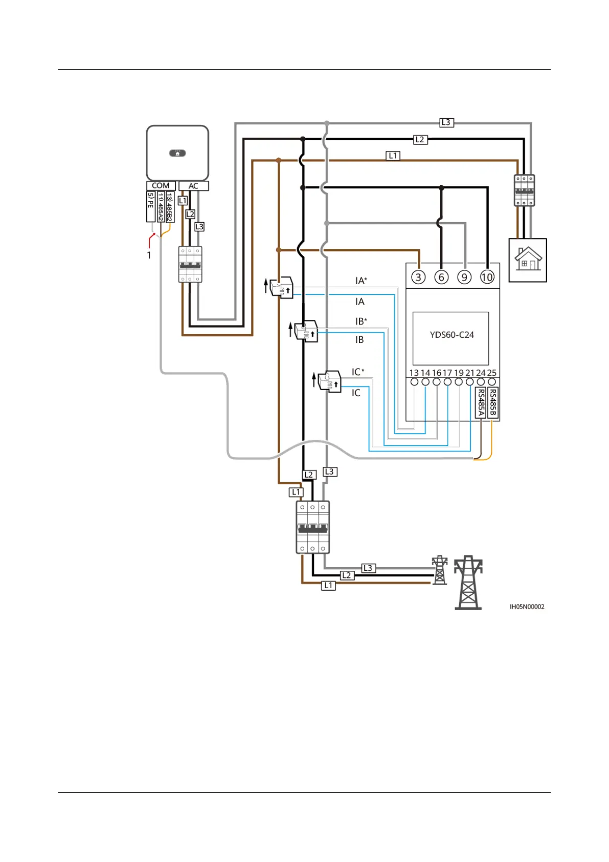
Figure 5-22 YDS60-C24 three-phase, three-wire cable connection (Smart Dongle
networking)
SUN2000-(5K-12K)-MAP0 Series
User Manual 5 Electrical Connections
Issue 01 (2024-05-13) Copyright © Huawei Digital Power Technologies Co., Ltd. 65

Table of Contents

Related product manuals