EasyManua.ls Logo

Huawei SUN2000 MAP0 Series - Page 75

Huawei SUN2000 MAP0 Series
162 pages
Print Icon
To Next Page IconTo Next Page
To Next Page IconTo Next Page
To Previous Page IconTo Previous Page
To Previous Page IconTo Previous Page
Loading...
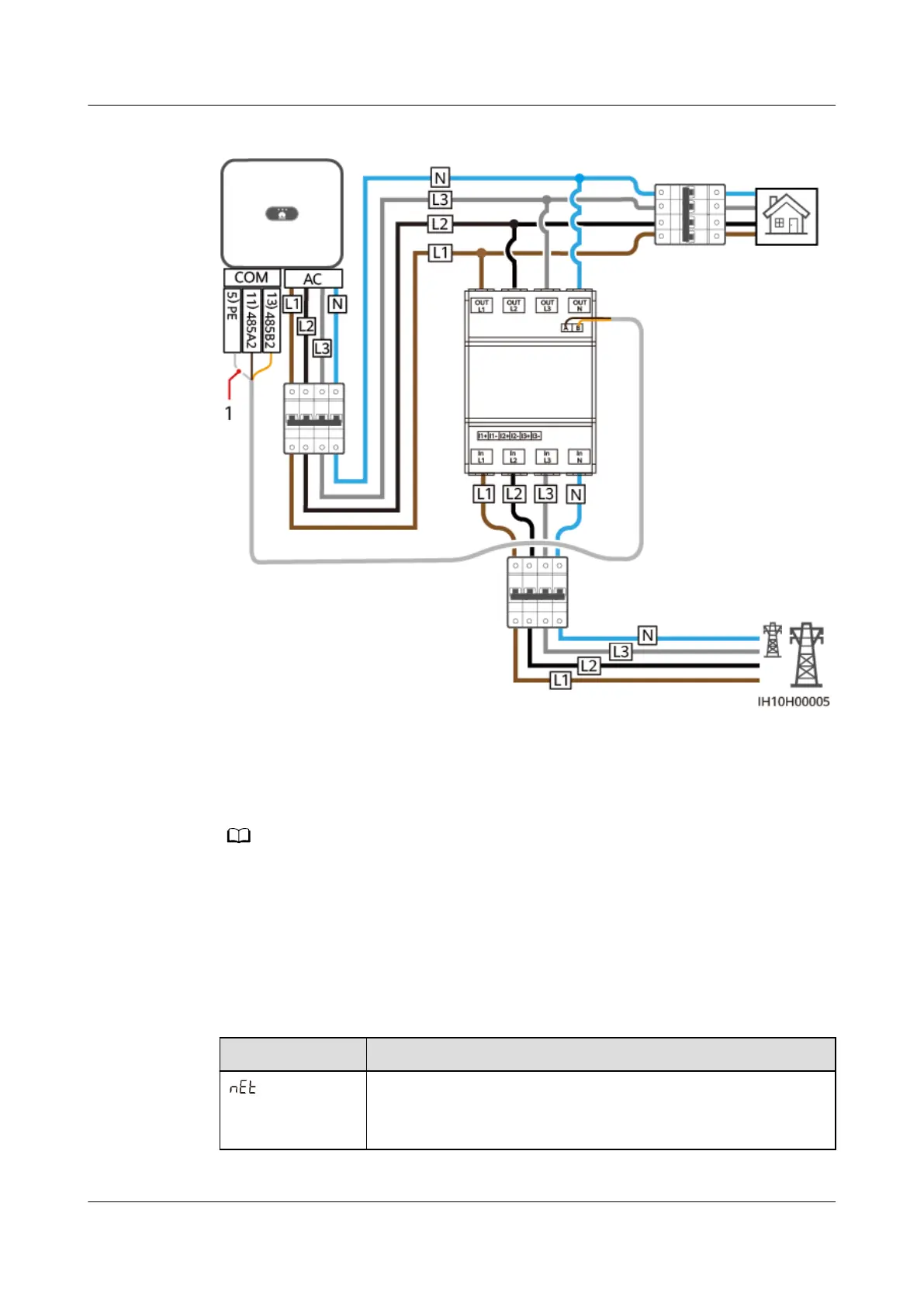
Figure 5-25 Three-phase, four-wire direct connection (Smart Dongle networking)
(1) Shield layer of the signal cable
NO TE
The maximum current of the directly connected DTSU666-HW and YDS60-80 power
meters is 80 A.
For three-phase, three-wire connection, set the cable connection mode. Otherwise, the
voltage reading is incorrect.
Retain the default baud rates for the DTSU666-H (250 A/100 A) and YDS60-C24 power
meters. If they are changed, the power meters may go oine, generate alarms, or aect
the inverter output power.
Table 5-3 Setting the cable connection mode
Parameter
Description
Set the cable connection mode.
0: n.34 indicates three-phase, four-wire (factory default). 1:
n.33 indicates three-phase, three-wire.
SUN2000-(5K-12K)-MAP0 Series
User Manual 5 Electrical Connections
Issue 01 (2024-05-13) Copyright © Huawei Digital Power Technologies Co., Ltd. 68

Table of Contents

Related product manuals