EasyManua.ls Logo

Icom IC-V85 - SET MODE INSPECTION; INITIAL SET MODE OPTIONS FLOWCHART

Icom IC-V85
80 pages
Print Icon
To Next Page IconTo Next Page
To Next Page IconTo Next Page
To Previous Page IconTo Previous Page
To Previous Page IconTo Previous Page
Loading...
58
12
SET MODE INSPECTION
1
2
3
4
5
6
7
8
9
10
11
12
13
14
15
16
17
18
19
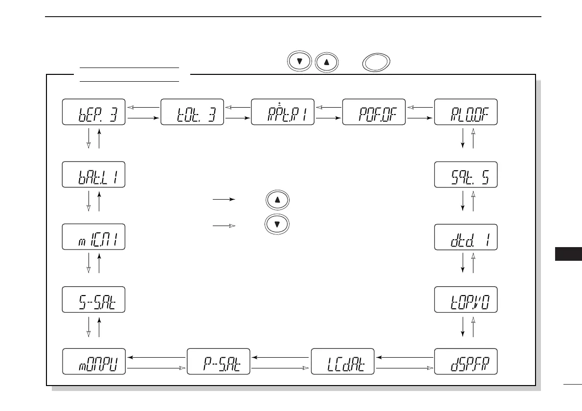
INITIAL SET MODE
• Battery protection function (p. 56)
• Mic simple mode (p. 55)
• Key touch beep (p. 51) • Time-out timer (p. 51) • Auto repeater* (p. 52) • Auto power-off (p. 52)
• Squelch delay (p. 53)
• DTMF rate (p. 53)
• Repeater lock-out (p. 52)
• Dial assignment (p. 53)
• Display type (p. 53)• LCD contrast (p. 54)• Power save (p. 54)
• Tuning speed acceleration (p. 55)
• Monitor key action (p. 55)
*Available for [USA] version only.
: Push
: Push
While pushing and holding , push to enter INITIAL SET MODE (p. 51).
PWR

Table of Contents

Other manuals for Icom IC-V85

Related product manuals