EasyManua.ls Logo

iDirect Evolution 8000 Series - Page 58

iDirect Evolution 8000 Series
90 pages
Print Icon
To Next Page IconTo Next Page
To Next Page IconTo Next Page
To Previous Page IconTo Previous Page
To Previous Page IconTo Previous Page
Loading...
44 iDirect Evolution 8000 Series Satellite Router Installation and Safety Manual
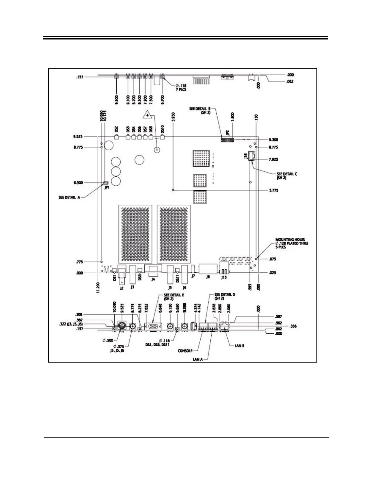
iCONNEX e800 Satellite Router Interface Specifications
Figure 20. Circuit Board and Connector Geometry

Table of Contents

Related product manuals