EasyManua.ls Logo

Ikegami BS-98 - Page 48

Ikegami BS-98
118 pages
Print Icon
To Next Page IconTo Next Page
To Next Page IconTo Next Page
To Previous Page IconTo Previous Page
To Previous Page IconTo Previous Page
Loading...
34
BS-98 1409 VER1 (U) (E)
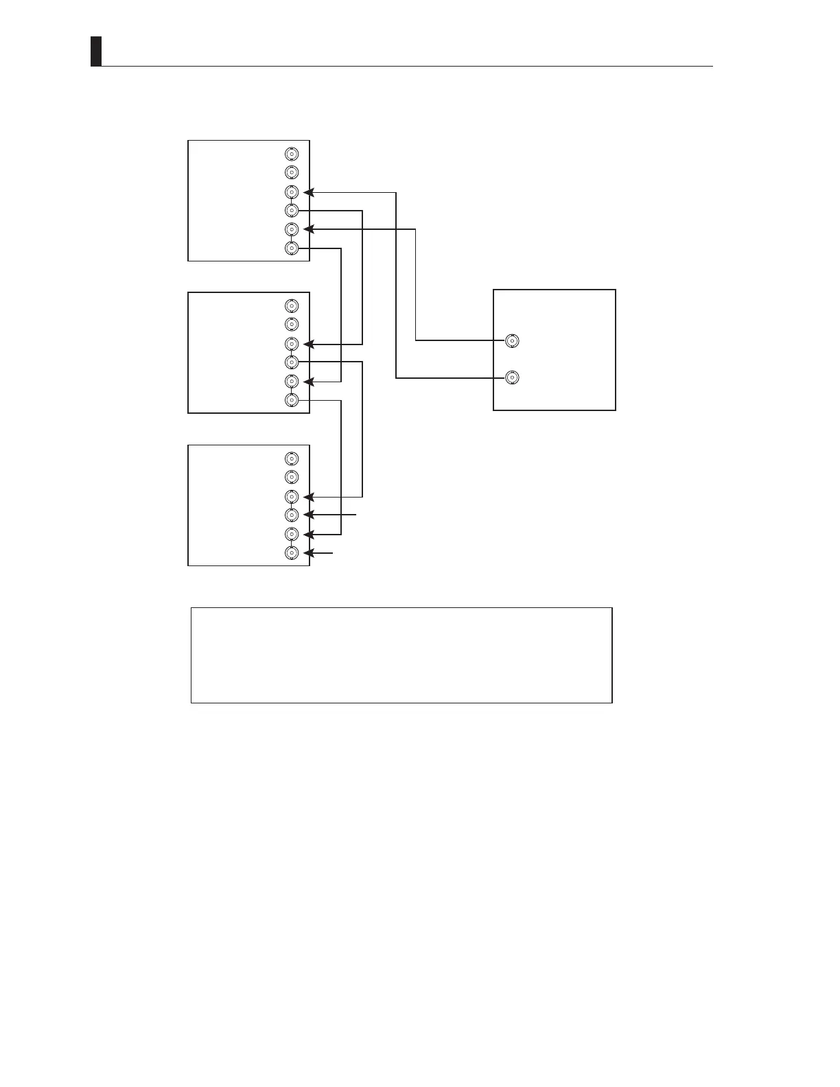
3.2 GENLOCK System
- Pattern 3
The case that synchronization signals of two types of formats can be supplied from the signal generator
SUBREF
CO
CO
SUBREF
CO
CO
SUBREF
CO
CO
75Ωtermination
Signalgenerator
75Ωtermination
CCUorBS#1
CCUorBS#2
CCUorBS#3
Condition of signals output by the signal generator in this case
A: HDTV Tri-level sync of 1080I/59.94 format or NTSC BBS
B: HDTV Tri-level sync of 1080P/23.98 format
(However, the 10-eld interval for 1080I/59.94 format needs to be synchronized
with the 4-frame interval for 1080P/23.98 format.)

Table of Contents