EasyManua.ls Logo

Ikegami BS-98 - 4.4 System Setup Diagram

Ikegami BS-98
118 pages
Print Icon
To Next Page IconTo Next Page
To Next Page IconTo Next Page
To Previous Page IconTo Previous Page
To Previous Page IconTo Previous Page
Loading...
42
BS-98 1409 VER1 (U) (E)
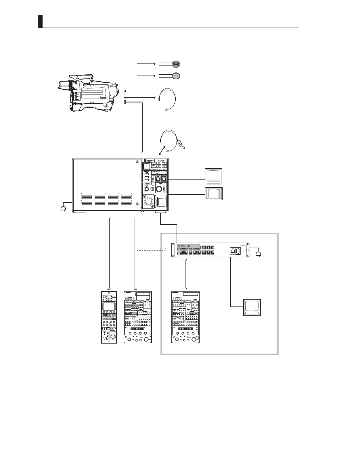
4.4 System Setup Diagram
4.4 System Setup Diagram
PM
WFM
PM
OCP
*WhentheOCP-200isused,themaximumCPcablelengthis80m.
MCP MCP
CSU-110
BS-98
MIC-1
MIC-2
Headset
(ENG/PROD)
Headset
(ENG/PROD)
MCPCable
Max.30m
CameraCable
Max.1000m
HDK-97A(FA-97)
MultipleCameraOperation
CPCableMax.300m
CPCableMax.100m
withSDISELECTmodule(optional)
*HDK-97A(FA-97)isusedas
anexampleofthecamerafor
explanation.
PM(SDI)
3G/HD-SDI
SD-SDI(option)
3G/HD-SDI
SD-SDI(option)
PM(SDI)

Table of Contents