EasyManua.ls Logo

Iseki SBC550X - Filling Diagram

Iseki SBC550X
94 pages
Print Icon
To Next Page IconTo Next Page
To Next Page IconTo Next Page
To Previous Page IconTo Previous Page
To Previous Page IconTo Previous Page
Loading...
VIII. MAINTENANCE
57
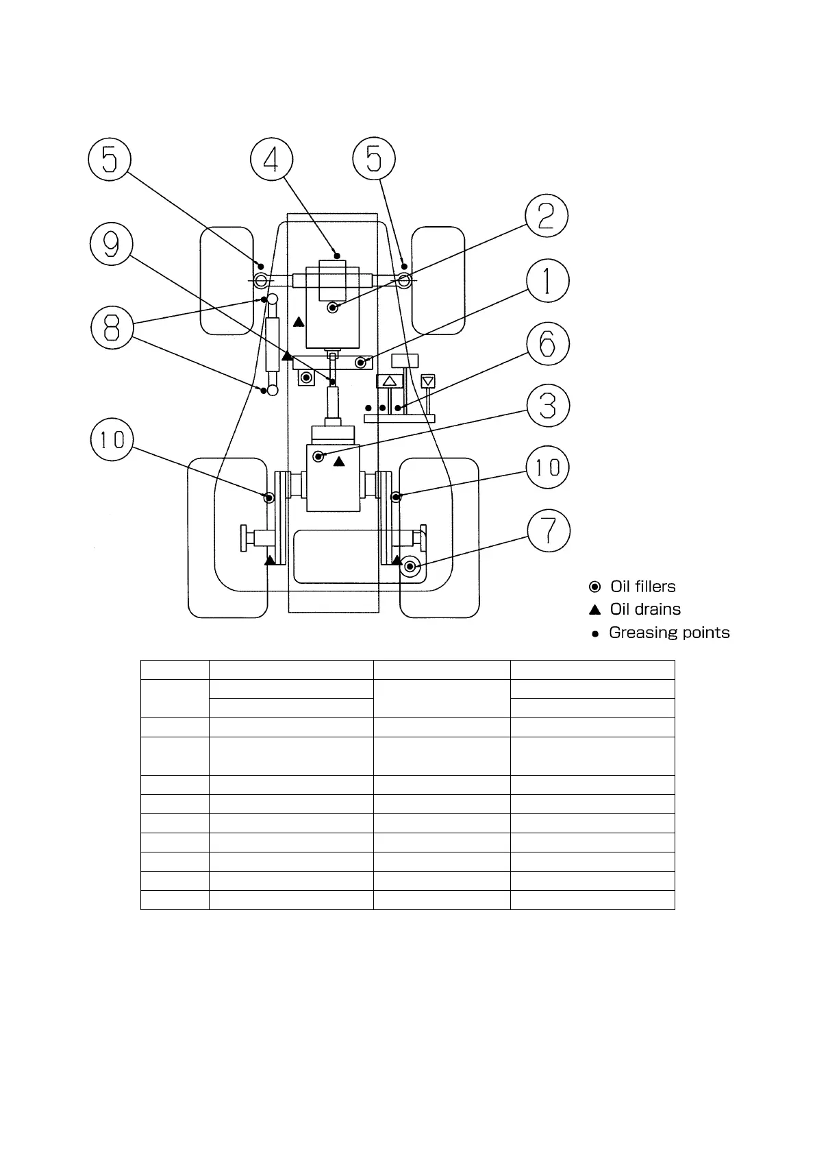
29. FILLING DIAGRAM
Ref. NO. Filling points Lubricants Quantity:litre (imp.gal.)
1
Radiator
Fresh clean water
and LLC 50%
3.5 (0.77)
Reserve tank 0.6 (0.13)
2 Engine Engine oil 2.6 (0.57)
3 Transmission case
HST oil
(SHELLDONAX TD)
8.0 (1.76)
4 Center pivot Grease As required
5 Knuckle arms Grease As required
6 Brake shaft / HST hub Grease As required
7 Fuel Diesel fuel 18.5 (4.07)
8 Cylinder ball end Grease As required
9 Drive shaft Grease As required
10 Chain case Gear oil SAE80 1.1 (0.24)
Use oil of better than class CC.
Use ISEKI's recommended oil.

Table of Contents

Related product manuals