EasyManua.ls Logo

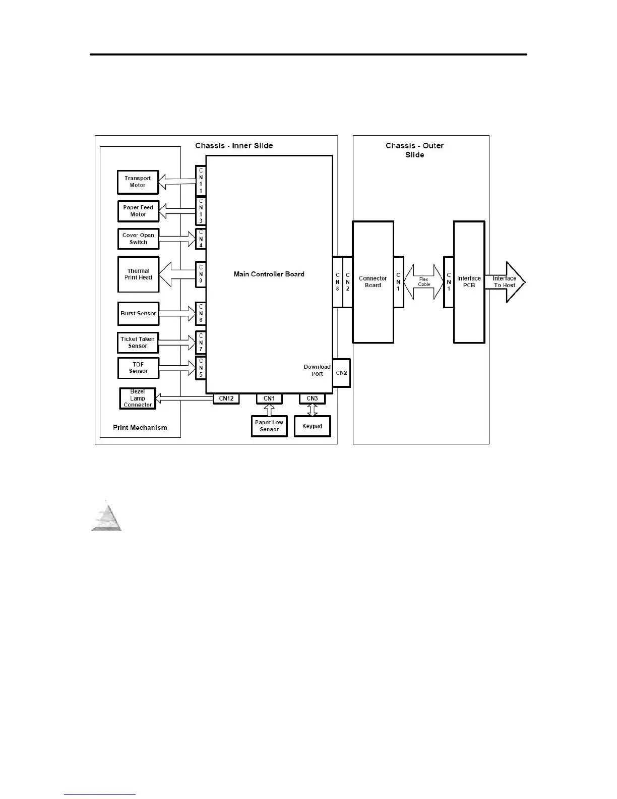
Ithaca Epic 950 - Printer Block Diagram; Figure 16. Epic 950 Electrical Operations Diagram

Ithaca Epic 950
158 pages
Print Icon
To Next Page IconTo Next Page
To Next Page IconTo Next Page
To Previous Page IconTo Previous Page
To Previous Page IconTo Previous Page
Loading...
Electrical Connections Epic 950 OEM Integration Manual
Page 42 Rev G 95-05245
Printer Block Diagram
Figure 16. Epic 950 Electrical Operations Diagram

Table of Contents

Related product manuals