EasyManua.ls Logo

Johnson Controls YZ - Elementary wiring diagram

Johnson Controls YZ
94 pages
Print Icon
To Next Page IconTo Next Page
To Next Page IconTo Next Page
To Previous Page IconTo Previous Page
To Previous Page IconTo Previous Page
Loading...
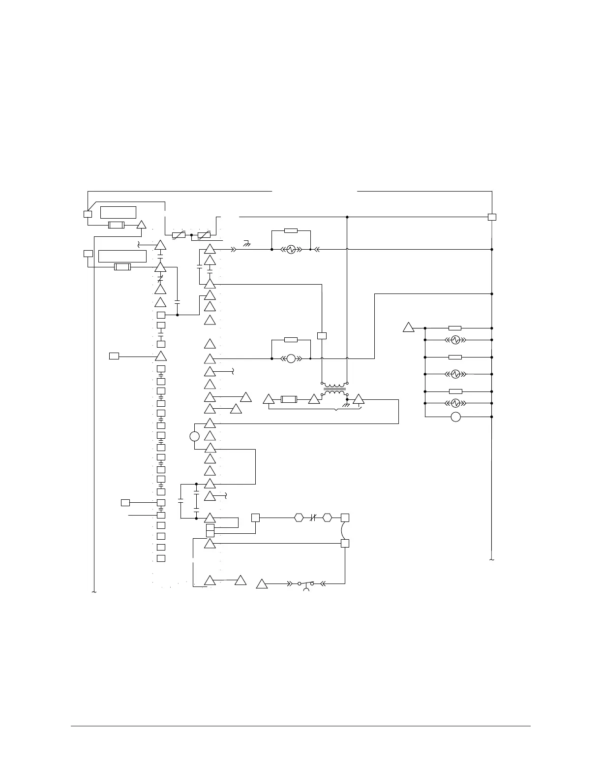
Elementary wiring diagram
Figure 1: Elementary wiring diagram
LD27179
1
L
1
1FU
3
2
1
2
3
4
5
27
26
40
41
45
44
43
42
LT BLU
GRN/YEL
1T
1
6
7
8
9
10
11
12
13
14
15
16
17
18
19
20
21
22
23
C
29
16
6
53
K18
K14
K13
33
5, 7, 10, 19
64
62
61
55
56
151
150
34
32
1R
K18
25
22
23
1R-1
(K18)
1R-2
(K18)
TO LINE 39
35
1R-3
(K18)
36
2FU
165
161
162
164
154
155
156
157
K17
24
VAC
1
2
158
160
163
164
159
16
53
16
15
17
HPCO
59
GROUNDED
CONDUCTOR
RED
2
5
162
CONTROL SUPPLY
115VAC 50/60Hz
20A OR 2.0KVA SOURCE
SEE NOTE 13
7 AMP 600V
BUSS KTK-R-7
RUN
CONTACTS
REMOTE MODE
READY TO START
CYCLING
SHUTDOWN
ALARM
SAFETY
SHUTDOWN
ALARM
WARNING
ALARM
7 AMP 600V
BUSS KTK-R-7
I/O
BOARD
031-03631
CHILLED
LIQUID PUMP
RUN
TO FLOW SWITCHES, COND. LEVEL CONTROL
ACTUATOR AND OPTIONAL HGBP
(SEE NOTE 11)
MOTOR CONTROLLER FAULT
(OPEN ON FAULT)
153
152
CONDENSER LIQUID
PUMP RUN
2
1
J2
315
TB7
VGD
SHUTDOWN
TO PURGE COMP. RUN
RELAY (K120)
(PURGE PANEL)
162
R1
5
TB15
PURGE REGEN
SUPR
DRAIN TANK SOL
TO REGEN TANK
HTR RELAY (K122)
(PURGE PANEL)
6FU
166
PURGE PUMP RUN
RELAY (K121)
(PURGE PANEL)
PURGE INLET SOL
PURGE PUMP SOL
PURGE REGEN
TANK SOL
29
TB6
CLL
CL1
58
CL1
SUPR
SUPR
SUPR
29
TB6
R
1
2
1
2
1
2
1
2
5SOL
4SOL
7SOL
6SOL
(OPTIONAL)
(OPTIONAL)
TB7
2A 125V
CL1
MOTOR COOLING
SUPR
BOOSTER
1
TB6
M
Unit Wiring and Field Connections for YZ Centrifugal Chiller with Magnetic Bearing Controller10

Table of Contents

Related product manuals