EasyManua.ls Logo

Johnson Controls YZ - Purge panel enclosure and schematics for 60 Hz

Johnson Controls YZ
94 pages
Print Icon
To Next Page IconTo Next Page
To Next Page IconTo Next Page
To Previous Page IconTo Previous Page
To Previous Page IconTo Previous Page
Loading...
Purge panel enclosure and schematics for 60 Hz
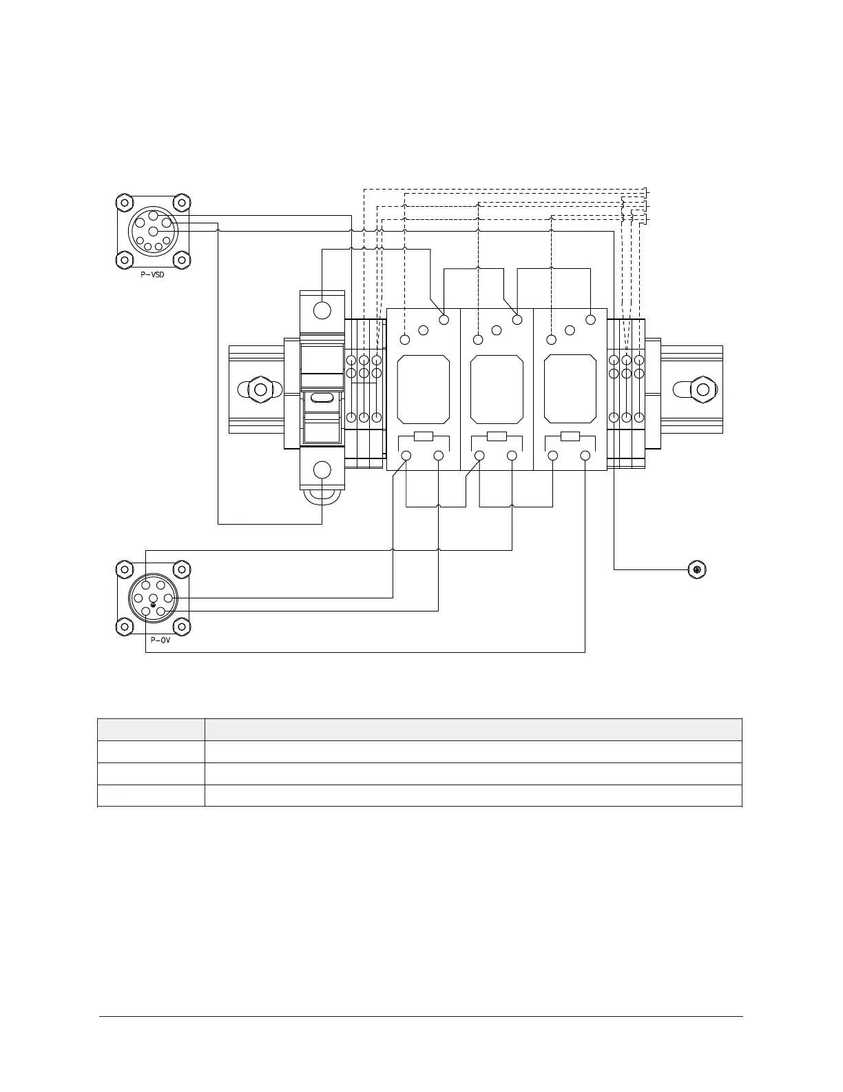
Figure 22: Purge panel enclosure and schematics for 60 Hz
LD23461
1
2
3
A
B
C
D
G
N
WHT
4
2
3
5
1
BOT.
TOP
FU1
15A
4
2
3
5
1
4
2
3
5
1
1
1
1
N
PE
G
GRN/YEL
L
L
BLK
2
2
2
34
29
2
29
34
165
SUP
SUP
SUP
BOX
GND
165
PE
GRN/YEL
TO PURGE COMPRESSOR
TO PURGE PUMP
TO REGEN TANK
(OPTIONAL)
N
N
N
GRN
BLK/WHT
BLK/RED
BRN
BLU
GRN/YEL
BLK
BLK
WHT
BLK
BLK
1
2
3
4
5
6
14-7P
K120
K121
K122
* BLK = 120 Volts.
Front View of the Purge Panel
Item Description
K120 Purge Compressor Relay
K121 Purge Pump Relay
K122 Regen Tank Relay
Unit Wiring and Field Connections for YZ Centrifugal Chiller with Magnetic Bearing Controller38

Table of Contents

Related product manuals