EasyManua.ls Logo

Keysight Technologies E8257D - Page 266

Keysight Technologies E8257D
417 pages
Print Icon
To Next Page IconTo Next Page
To Next Page IconTo Next Page
To Previous Page IconTo Previous Page
To Previous Page IconTo Previous Page
Loading...
276 E8257D/67D, E8663D PSG Signal Generators Service Guide
Assembly Replacement
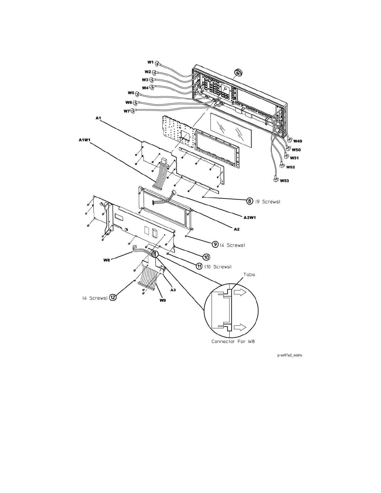
A3 Power Switch
Figure 3-11 A3 Power Switch Removal with serial number prefix US/MY5XXX3XXX

Table of Contents

Other manuals for Keysight Technologies E8257D

Related product manuals