EasyManua.ls Logo

Kinze 4900 - Page 231

Kinze 4900
244 pages
Print Icon
To Next Page IconTo Next Page
To Next Page IconTo Next Page
To Previous Page IconTo Previous Page
To Previous Page IconTo Previous Page
Loading...
TM
Model 4900M0290-01
Rev. 8/19 6-107
Lubrication and Maintenance
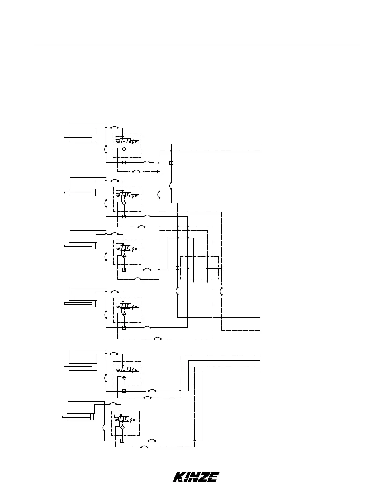
TRUE DEPTH - HYDRAULIC SCHEMATIC - 24 ROW - ROW UNITS 7 - 12
24 Row - Row Units 7-12
To Main Down Force Valve Block
(Page 6-75)
D1
P1
R2
R3
D2
R1
P2
P3
To Junction Block
(Page 6-75)
To Junction Block
(Page 6-75)
1
3
2
ROW
UNIT 7
1
3
2
ROW
UNIT
8
1
3
2
ROW
UNIT
11
1
3
2
ROW
UNIT
12
1
3
2
ROW
UNIT
9
1
3
2
ROW
UNIT
10
R1
P1
R4
P4
P2
R2
R5
P5
R3
P3

Table of Contents