EasyManua.ls Logo

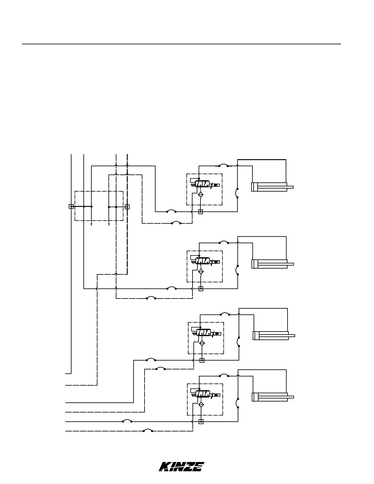
Kinze 4900 - LUBRICATION AND MAINTENANCE; True Depth Hydraulic Schematic (Row Units 13-16)

Kinze 4900
244 pages
Print Icon
To Next Page IconTo Next Page
To Next Page IconTo Next Page
To Previous Page IconTo Previous Page
To Previous Page IconTo Previous Page
Loading...
M0290-01Model 4900
6-108 Rev. 8/19
TM
Lubrication and Maintenance
1
3
2
ROW
UNIT
14
1
3
2
ROW
UNIT
13
1
3
2
ROW
UNIT
16
1
3
2
ROW
UNIT
15
R1
P1
R4
P4
P2
R2
R5
P5
R3
P3
TRUE DEPTH - HYDRAULIC SCHEMATIC - 24 ROW - ROW UNITS 13 - 16
24 Row - Row Units 13-16
To Row Unit 17-24
(Page 6-79)
P5
P4
P1
P1 R4P4 R1
R5
R4
R1
To Junction Block
(Page 6-75)

Table of Contents

Related product manuals