EasyManua.ls Logo

KOMPATTO KH0623 - Page 39

Default Icon
52 pages
Print Icon
To Next Page IconTo Next Page
To Next Page IconTo Next Page
To Previous Page IconTo Previous Page
To Previous Page IconTo Previous Page
Loading...
39
KOMPATTO installation, use and maintenance manual
9. Troubleshooting
9.2. Checks that can only be performed by an authorized technician
Cut off the power supply before
proceeding with any adjustment
or intervention.
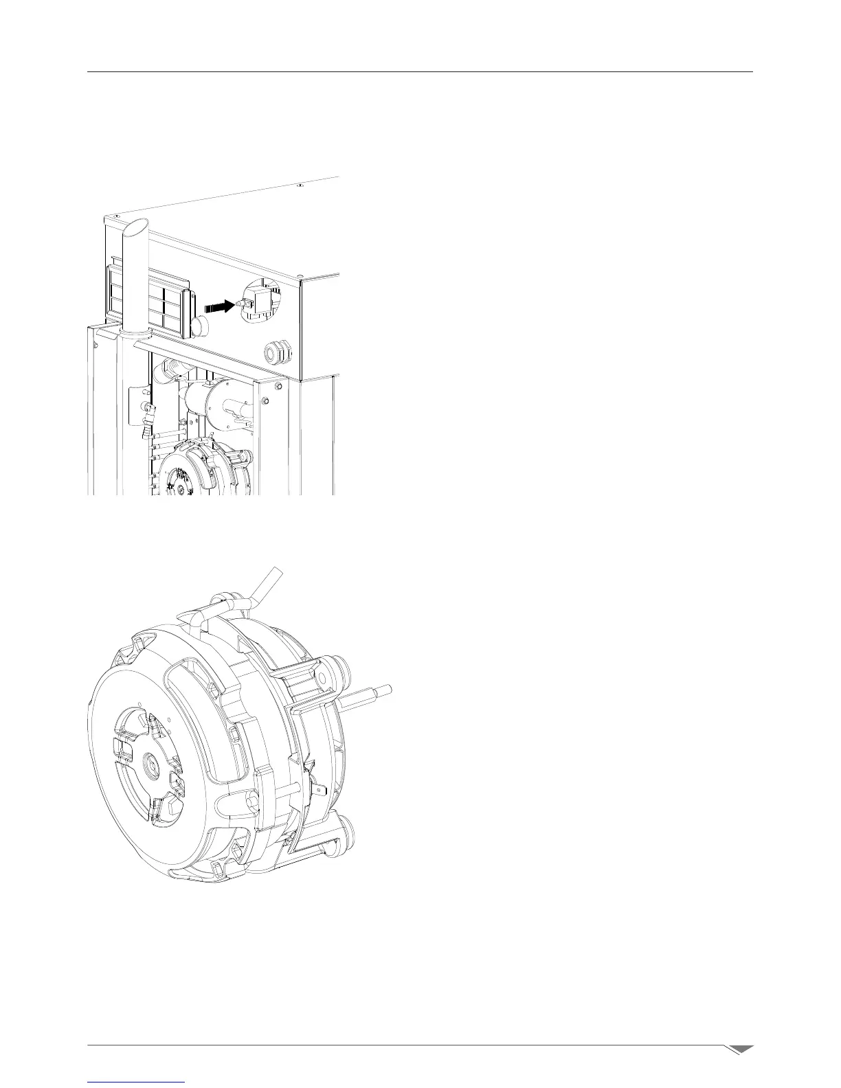
Safety thermostat reset
The safety thermostat is placed on the rear up-
per side of the oven (g. 66).
Locate the thermostat, and press the red but-
ton until you hear a mechanical warning sound
("click") that will conrm the closure of the
contacts (g. 66).
The thermostat can be triggered due to me-
chanical stresses to which the oven can be
subjected during transport.
A continuous intervention of the safety ther-
mostat indicates a malfunction of the device
and makes it essential to investigate the caus-
es.
Motor thermal breaker
The motor thermal breaker is reset automati-
cally and, if this occurs, you should check the
cleanlinessoftheslits,theefcacyofthecool-
ing devices and the regular and friction-free
rotation of the motor.
It is recommended to cut off the power supply.
Protection fuses
The protection fuses are used to protect the
circuit boards of the oven against overvoltage.
They are located inside the technical compart-
ment on top of the oven.
i
i
g. 66
g. 67

Table of Contents