EasyManua.ls Logo

KOMPATTO KH0623 - Kt0623

Default Icon
52 pages
Print Icon
To Next Page IconTo Next Page
To Next Page IconTo Next Page
To Previous Page IconTo Previous Page
To Previous Page IconTo Previous Page
Loading...
48
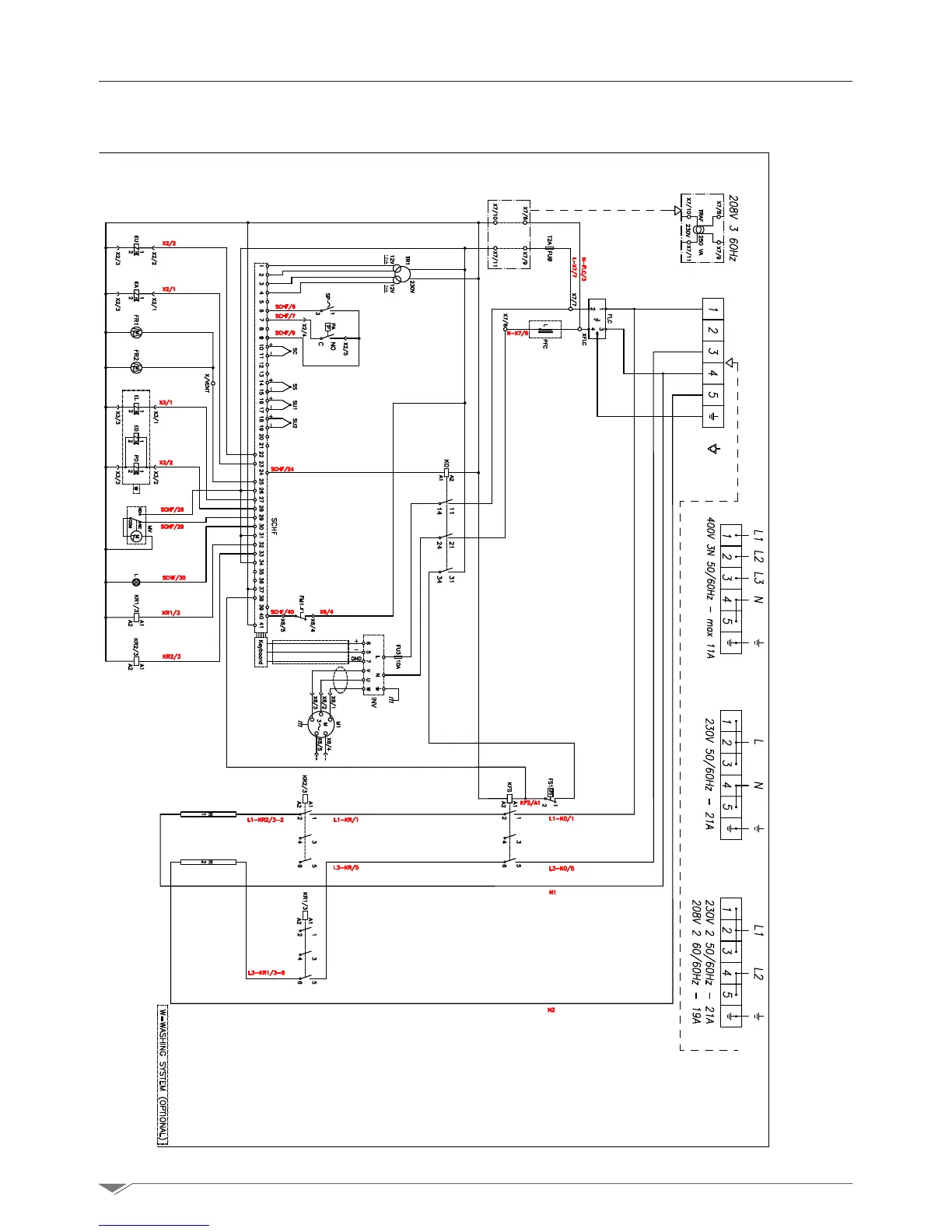
12. Wiring diagrams
12.4. KT0623(W)

Table of Contents