EasyManua.ls Logo

KOMPATTO KH0623 - 12 Wiring Diagrams; Kh0623

Default Icon
52 pages
Print Icon
To Next Page IconTo Next Page
To Next Page IconTo Next Page
To Previous Page IconTo Previous Page
To Previous Page IconTo Previous Page
Loading...
45
KOMPATTO installation, use and maintenance manual
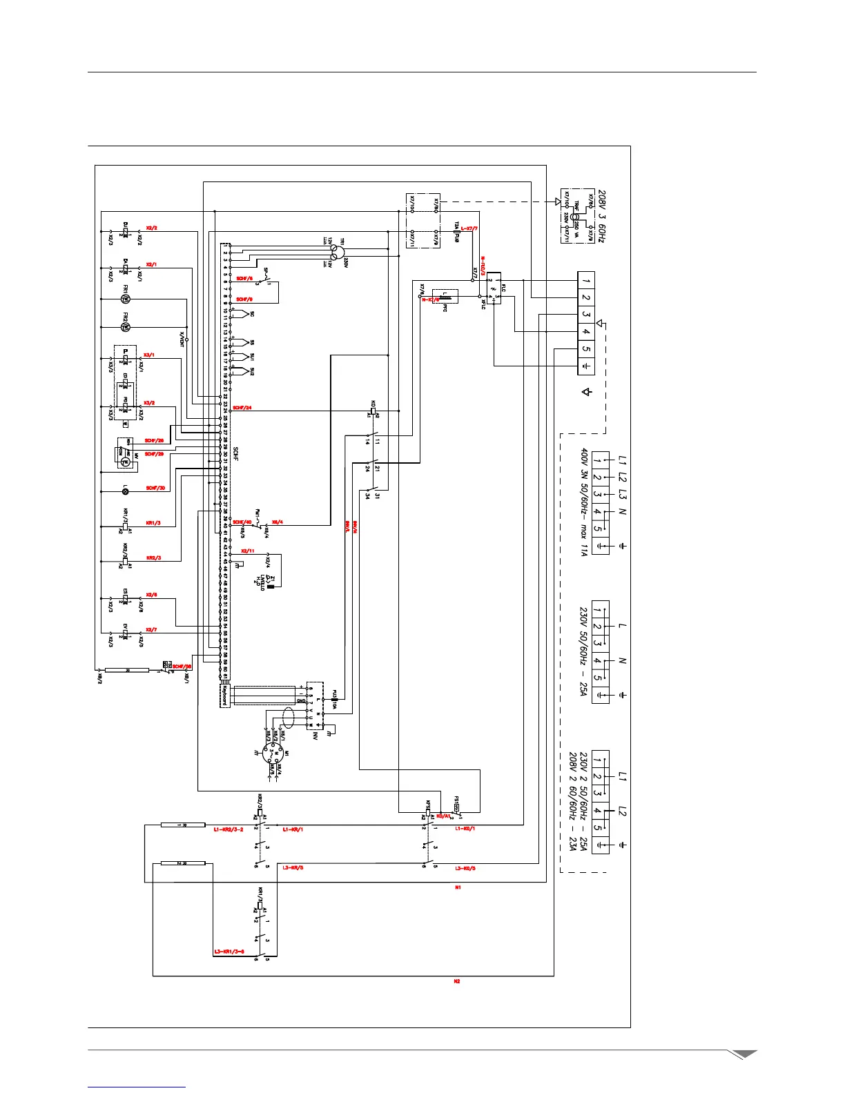
12. Wiring diagrams
12.1. KH0623(W)

Table of Contents