EasyManua.ls Logo

Kongsberg EA440 - Page 56

Kongsberg EA440
92 pages
Print Icon
To Next Page IconTo Next Page
To Next Page IconTo Next Page
To Previous Page IconTo Previous Page
To Previous Page IconTo Previous Page
Loading...
56
392616/B
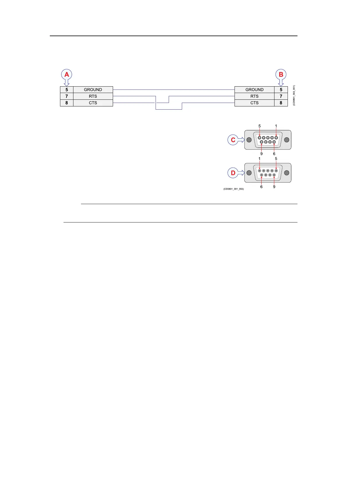
ALocalconnection
BConnectiononremotedevice
CFemale9-pinD-connector
DMale9-pinD-connector
Procedure
1Locatetheserialconnectorontherearsideofthe
OperatorStation.
Note
YoumustuseanRS-232interfaceforthispurpose.
2ConnecttheserialcablefromtheOperatorStationtotheperipheraldevice.
3Ontheperipheraldevice,wireasdescribedintherelevantdocumentation.
Furtherrequirements
AllserialinterfacesmustbedenedintheEA440softwarepriortouse.
EA440Installationmanual

Table of Contents

Related product manuals