EasyManua.ls Logo

krom schroeder E8 - System Diagram

krom schroeder E8
76 pages
Print Icon
To Next Page IconTo Next Page
To Next Page IconTo Next Page
To Previous Page IconTo Previous Page
To Previous Page IconTo Previous Page
Loading...
Installation Part 4: Installation and Start-up
56
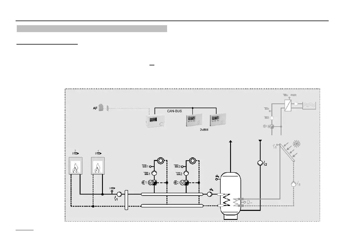
System diagram
Maximum configuration:
HS regulation (2-stage)
Hot water generation
2 mixed heating circuits, remote-controlled via BUS or
1 mixed heating circuit & Fixed value / Pool regulation
Return increase/Solar/Solid fuel
Circulation pump
!
Depending on controller type, only partial functions
are assigned for your controller.

Table of Contents