EasyManua.ls Logo

krom schroeder E8 - System Diagram with HS Via Ebus

krom schroeder E8
76 pages
Print Icon
To Next Page IconTo Next Page
To Next Page IconTo Next Page
To Previous Page IconTo Previous Page
To Previous Page IconTo Previous Page
Loading...
Part 4: Installation and Start-up Installation
57
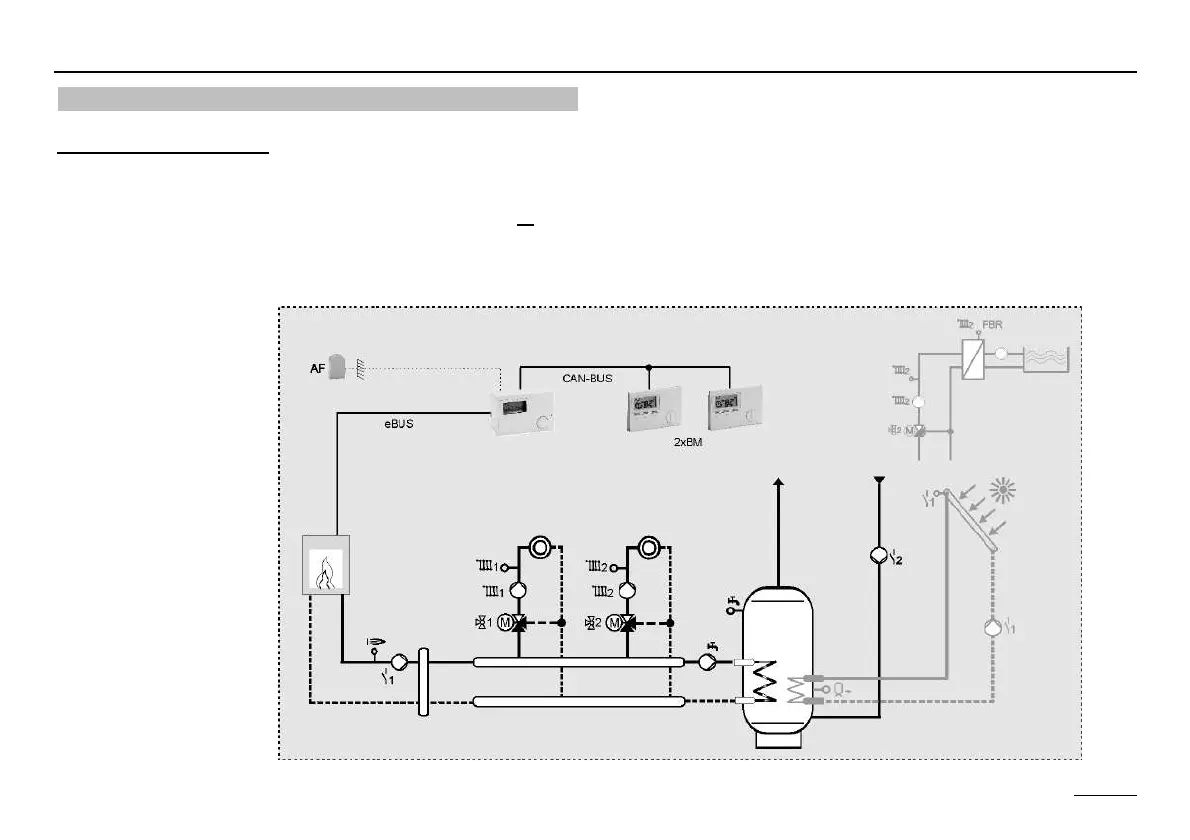
System diagram with HS via eBUS
Maximum configuration:
HS regulation modulating
Hot water generation
2 mixed heating circuits, remote-controlled via BUS or
1 mixed heating circuit & Fixed value / Pool regulation
Return increase/Solar/Solid fuel
Circulation pump
!
Depending on controller type, only partial functions
are assigned for your controller.

Table of Contents