EasyManua.ls Logo

Lamtec ETAMATIC - Page 148

Lamtec ETAMATIC
152 pages
Print Icon
To Next Page IconTo Next Page
To Next Page IconTo Next Page
To Previous Page IconTo Previous Page
To Previous Page IconTo Previous Page
Loading...
147
9 Appendix
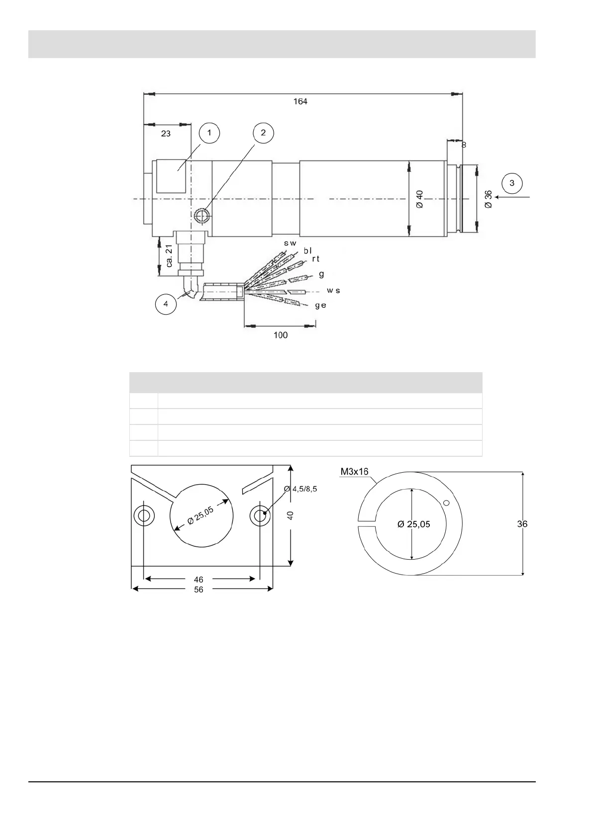
Fig. 9-43 Flame sensor FFS05, FFS07 (replaced by FFS05, connecting cable FFS07 includes 1 rs cord
extra)
No. Description
1 type plate
2 grounding M4 (Pozidriv 2)
3 incidence of light
4 bend radius of the FM wire min. 25 mm
Fig. 9-44 Dimensional drawing FS60 for flame
sensor FFS06, FFS08 (DLT7660)
Fig. 9-45 Dimensional drawing ring FFS06, FFS08
(DLT7660)

Table of Contents

Other manuals for Lamtec ETAMATIC

Related product manuals