EasyManua.ls Logo

Leadshine ELD2 Series - Timing Chart on Power-Up; Timing Chart on Fault; Holding Brake

Leadshine ELD2 Series
87 pages
Print Icon
To Next Page IconTo Next Page
To Next Page IconTo Next Page
To Previous Page IconTo Previous Page
To Previous Page IconTo Previous Page
Loading...
52
UserManualforELD2Servo
6.1.2 Timing chart on power-up
r,t control power
inner control power
R,S,T main power
BUS voltage
Servo ready
Servo on input
Dynamic brake
Motor power on
BRK-OFF
Position/velocity/torque command
off on
on
on
on
on
on
on
on
on
have
off
off
off
off
off
off
off
off
no
<0.5 second
>0 millisecond
<0.8 second
<1.5 second
>0 millisecond
<10 millisecond
<0.15 second
<10 millisecond
>0.1 second

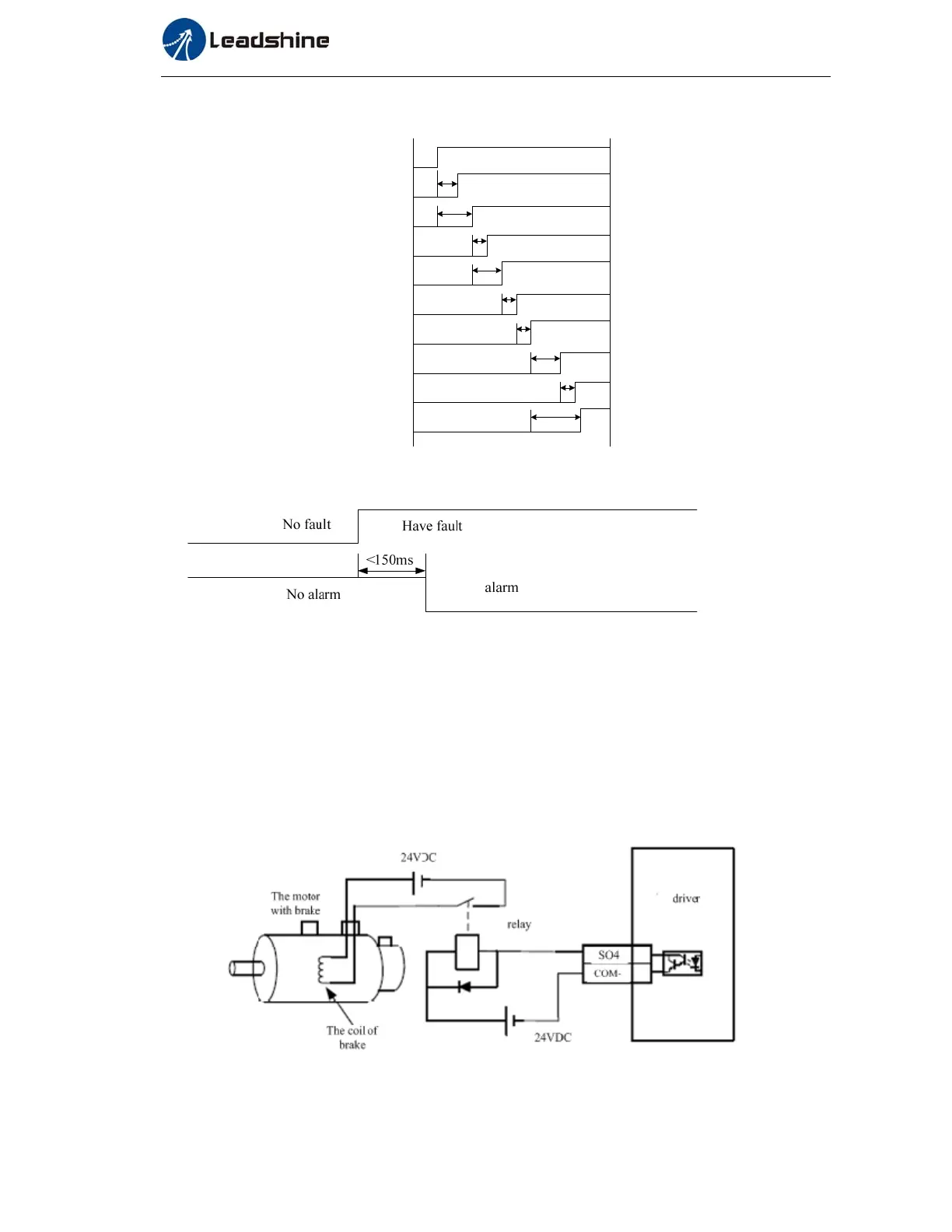
6.1.3 Timing chart on fault
6.1.4 Holding brake
In applications where the motor drives the vertical axis, this brake would be used to hold and prevent the
work (moving load) from falling gravity while the power to the servo is shut off .
Never use this for “Brake” purpose to stop the load in motion.
Use this built-in brake for “holding” purpose only. That is to hold the stalling status.
For the brake release timing at power-on ,or braking timing at servo-off/servo-alarm while the motor is in
motion ,refer to chapter 7.1.2 timing chart on power-up.
You can follow the diagram about the wiring as below :
About the wire of brake ,there should be an 24VDC for brake, the brake will be loosed with the
24VDC input, and the driver give an output signal to control the connection or disconnection of the

Table of Contents