EasyManua.ls Logo

Leopard Catamarans 40 - Page 192

Leopard Catamarans 40
201 pages
Print Icon
To Next Page IconTo Next Page
To Next Page IconTo Next Page
To Previous Page IconTo Previous Page
To Previous Page IconTo Previous Page
Loading...
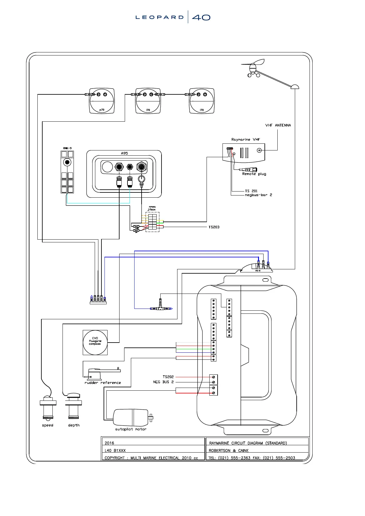
184 | 2-36 ElectricalSchematics184 | 2-36 ElectricalSchematics

Table of Contents