EasyManua.ls Logo

Lime Microsystems LMS7002MR3 - Page 83

Default Icon
123 pages
Print Icon
To Next Page IconTo Next Page
To Next Page IconTo Next Page
To Previous Page IconTo Previous Page
To Previous Page IconTo Previous Page
Loading...
79
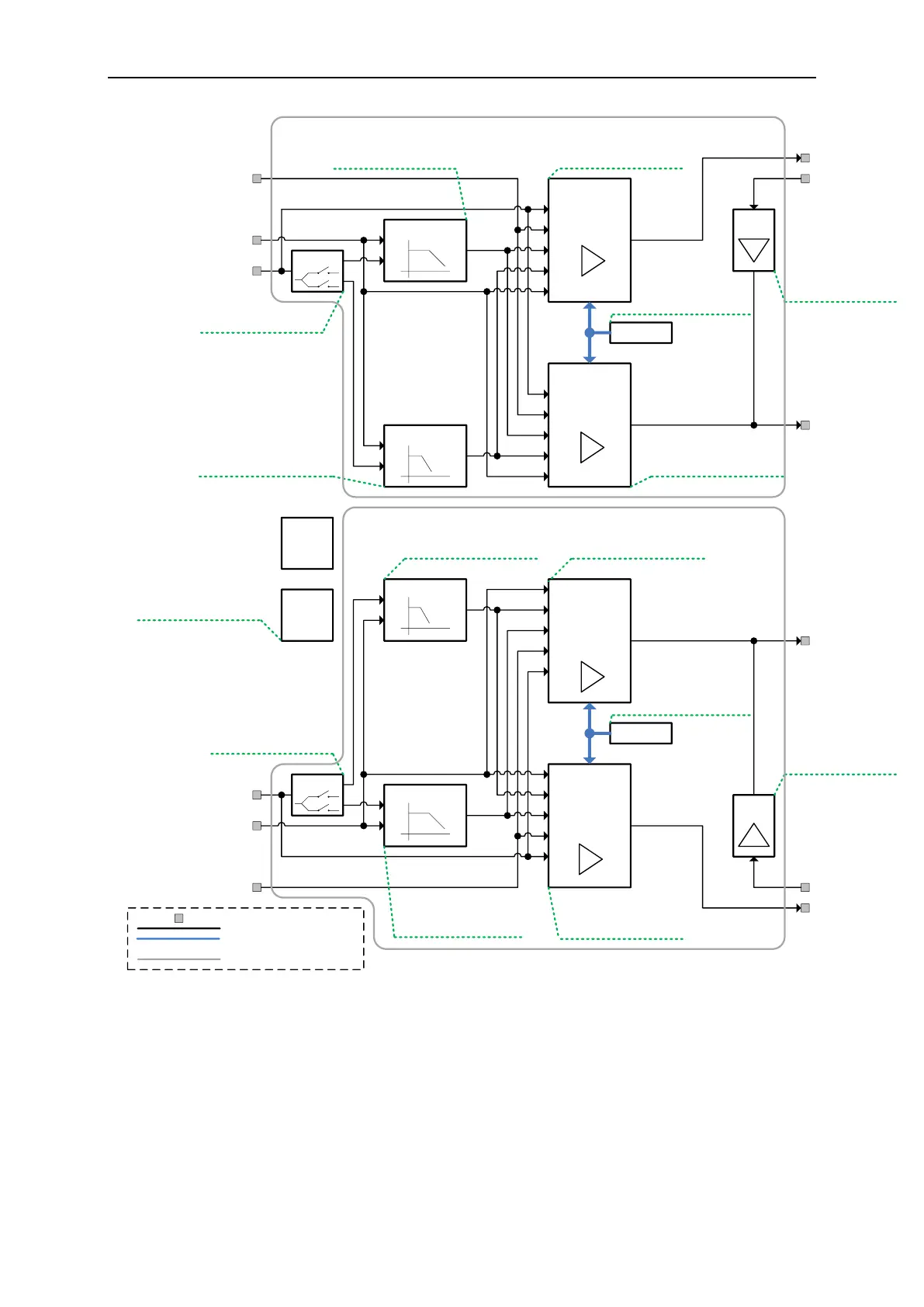
LPF High
LPF Low
Mux
PGA
LPF bypass
LPF L
LPF H
loop pdet
loop TX
Out
PGA
LPF bypass
LPF L
LPF H
loop pdet
loop TX
Out
PGA
Decoder
From: pdeto(p/n)_2 (ADC, TX RF)
From: txloop_1(p/n)_2 (TX BB loop)
From: rfeoi(p/n)_2 (RX RF)
To: rbbi(p/n)_pad_2 (PAD)
From: adcin_i(p/n)_2 (PAD)
To: rbboi(p/n)_2 (ADC)
LPF High
LPF Low
Mux
PGA
LPF bypass
LPF L
LPF H
loop pdet
loop TX
Out
PGA
LPF bypass
LPF L
LPF H
loop pdet
loop TX
Out
PGA
Decoder
From: pdeto(p/n)_2 (ADC, TX RF)
From: txloop_2(p/n)_2 (TX BB loop)
From: rfeoq(p/n)_2 (RX RF)
To: rbbq(p/n)_pad_2 (PAD)
From: adcin_q(p/n)_2 (PAD)
To: rbboq(p/n)_2 (ADC)
EN_LB_LPFH_RBB_2 (0x0115[15])
EN_LB_LPFL_RBB_2 (0x0115[14])
EN_LB_LPFH_RBB_2 (0x0115[15])
PD_LPFH_RBB_2 (0x0115[3])
R_CTL_LPF_RBB_2 (0x0116[15:11])
RCC_CTL_LPFH_RBB_2 (0x0116[10:8])
C_CTL_LPFH_RBB_2 (0x0116[7:0])
INPUT_CTL_PGA_RBB_2 (0x0118[15:13])
G_PGA_RBB_2 (0x0119[4:0])
PD_PGA_RBB_2 (0x0115[1])
OSW_PGA_RBB_2 (0x0119[15])
RCC_CTL_PGA_RBB_2 (0x011A[13:9])
C_CTL_PGA_RBB_2 (0x011A[7:0])
PD_PGA_RBB_2 (0x0115[1])
OSW_PGA_RBB_2 (0x0119[15])
RCC_CTL_PGA_RBB_2 (0x011A[13:9])
C_CTL_PGA_RBB_2 (0x011A[7:0])
OSW_PGA_RBB_2 (0x0119[15])
EN_LB_LPFL_RBB_2 (0x0115[14])
PD_LPFL_RBB_2 (0x0115[2])
R_CTL_LPF_RBB_2 (0x0116[15:11])
RCC_CTL_LPFL_RBB_2 (0x0117[13:11])
C_CTL_LPFL_RBB_2 (0x0117[10:0])
PD_PGA_RBB_2 (0x0115[1])
OSW_PGA_RBB_2 (0x0119[15])
RCC_CTL_PGA_RBB_2 (0x011A[13:9])
C_CTL_PGA_RBB_2 (0x011A[7:0])
PD_PGA_RBB_2 (0x0115[1])
OSW_PGA_RBB_2 (0x0119[15])
RCC_CTL_PGA_RBB_2 (0x011A[13:9])
C_CTL_PGA_RBB_2 (0x011A[7:0])
EN_LB_LPFL_RBB_2 (0x0115[14])
PD_LPFL_RBB_2 (0x0115[2])
R_CTL_LPF_RBB_2 (0x0116[15:11])
RCC_CTL_LPFL_RBB_2 (0x0117[13:11])
C_CTL_LPFL_RBB_2 (0x0117[10:0])
INPUT_CTL_PGA_RBB_2 (0x0118[15:13])
G_PGA_RBB_2 (0x0119[4:0])
EN_LB_LPFH_RBB_2 (0x0115[15])
EN_LB_LPFL_RBB_2 (0x0115[14])
EN_LB_LPFH_RBB_2 (0x0115[15])
PD_LPFH_RBB_2 (0x0115[3])
R_CTL_LPF_RBB_2 (0x0116[15:11])
RCC_CTL_LPFH_RBB_2 (0x0116[10:8])
C_CTL_LPFH_RBB_2 (0x0116[7:0])
OSW_PGA_RBB_2 (0x0119[15])
Bias
blocks
Buffers
for SPI
signals
PD_LPFH_RBB_2 (0x0115[3])
PD_LPFL_RBB_2 (0x0115[2])
PD_PGA_RBB_2 (0x0115[1])
ICT_LPF_IN_RBB_2 (0x0118[9:5])
ICT_LPF_OUT_RBB_2 (0x0118[4:0])
ICT_PGA_OUT_RBB_2 (0x0119[14:10])
ICT_PGA_IN_RBB_2 (0x0119[9:5])
Channel I
Channel Q
Analog signal lines
Signal input/output
RESET_N (XXXX)
IO control name (register adress)
Control signal lines
Band block
LMS7002M
RBB_TOP 2
Figure 8 RBB2 control structure

Table of Contents