EasyManua.ls Logo

Lucent Technologies DDM-2000 OC-12 - Page 103

Lucent Technologies DDM-2000 OC-12
1676 pages
Print Icon
To Next Page IconTo Next Page
To Next Page IconTo Next Page
To Previous Page IconTo Previous Page
To Previous Page IconTo Previous Page
Loading...
363-206-295
Applications
2-24 Issue 1 December 1997
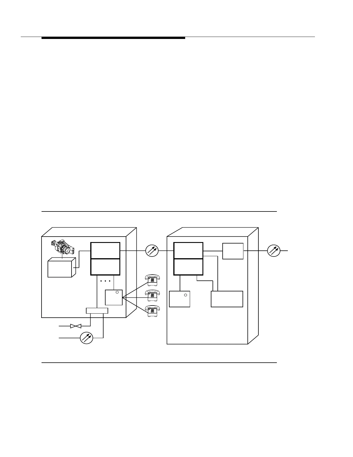
OC-12 Point-to-Point (Folded Ring) 2
Simple, efficient capacity upgrades provide an additional point of flexibility for the
DDM-2000 OC-3 and OC-12 Multiplexers. Initial deployments can be sized
according to current needs and near-term forecasts, which minimize the network's
cost. As large-scale growth occurs (for example, DS1 and DS3 service
expansion), the DDM-2000 OC-3 and OC-12 Multiplexers can be rearranged to
match each application.
The upgrade from a DDM-2000 OC-3 point-to-point system to a DDM-2000
OC-12 system can be done without interrupting service. The procedure converts
the DDM-2000 OC-3 Multiplexer shelves so that they interconnect with the
DDM-2000 OC-12 Multiplexer shelf. The resulting high-capacity, point-to-point
configuration is shown in Figure 2-14. The larger bandwidth accommodates
additional DDM-2000 OC-3 Multiplexers for DS1 access.
In addition to upgrading an existing OC-3 network, the DDM-2000 OC-12
Multiplexer also provides DS3, EC-1, OC-3 or OC-3c service transport between a
remote site and a CO. It can do this in either a stand-alone (terminal) configuration
or, if desired, it could be connected directly to a DACS IV-2000 Cross-Connect
System using DS3 or EC-1 interfaces.
Figure 2-14. OC-12 Point-to-Point Loop Configuration (Folded Ring)
DDM-Plus
Series 5
RT
SLC
DDM-2000
QUAD DS1
DDM-2000
OC-12
DS1
T1
OC-12
DS1
Switch
DDM-2000
OC-3
Remote Terminal Site
Central Office
DDM-2000
OC-12
5ESS
OC-3
R
DS3
DS3
CODEC
R
DACS IV-2000
OC-48
FT-2000
System
DS1
DS3/EC-1
EC-1

Table of Contents

Other manuals for Lucent Technologies DDM-2000 OC-12

Related product manuals