EasyManua.ls Logo

Lucent Technologies DDM-2000 OC-12 - Page 1060

Lucent Technologies DDM-2000 OC-12
1676 pages
Print Icon
To Next Page IconTo Next Page
To Next Page IconTo Next Page
To Previous Page IconTo Previous Page
To Previous Page IconTo Previous Page
Loading...
Turnup:System363-206-295 NTP-015
11of11Page1997December1,Issue
LISTEDORDERINBELOWITEMSDO .... TOGODETAILS,FOR
1A
2A 3A
2B
1B
TRMTR/
RCVR
TRMTR/
RCVR
7B
8A
8B
3
LS INTFC
FT-2000 OC-48
OC48
(0X1)
1A
2A 3A
2B
1B
TRMTR/
RCVR
TRMTR/
RCVR
7B
8A
8B
3
LS INTFC
FT-2000 OC-48
OC48
OLIU
OLIU
1A
2A 3A
2B
1B
TRMTR/
RCVR
TRMTR/
RCVR
7B
8A
8B
3
LS INTFC
FT-2000 OC-48
OC48
OC12
OC12
OC12
(US)
(NS)
Node 2
MAIN B 1
MAIN B 2(P)
A
BC
C
B
1 1 2(P)2(P)
A
D
D
1 2(P)
TSI
US
NS
DDM-2000 OC-12
1 2(P)
Node 1
MAIN B 1
MAIN B 2(P)
A
BC
C
B
1 1 2(P)2(P)
A
D
D
1 2(P)
TSI
US
NS
DDM-2000 OC-12
1 2(P)
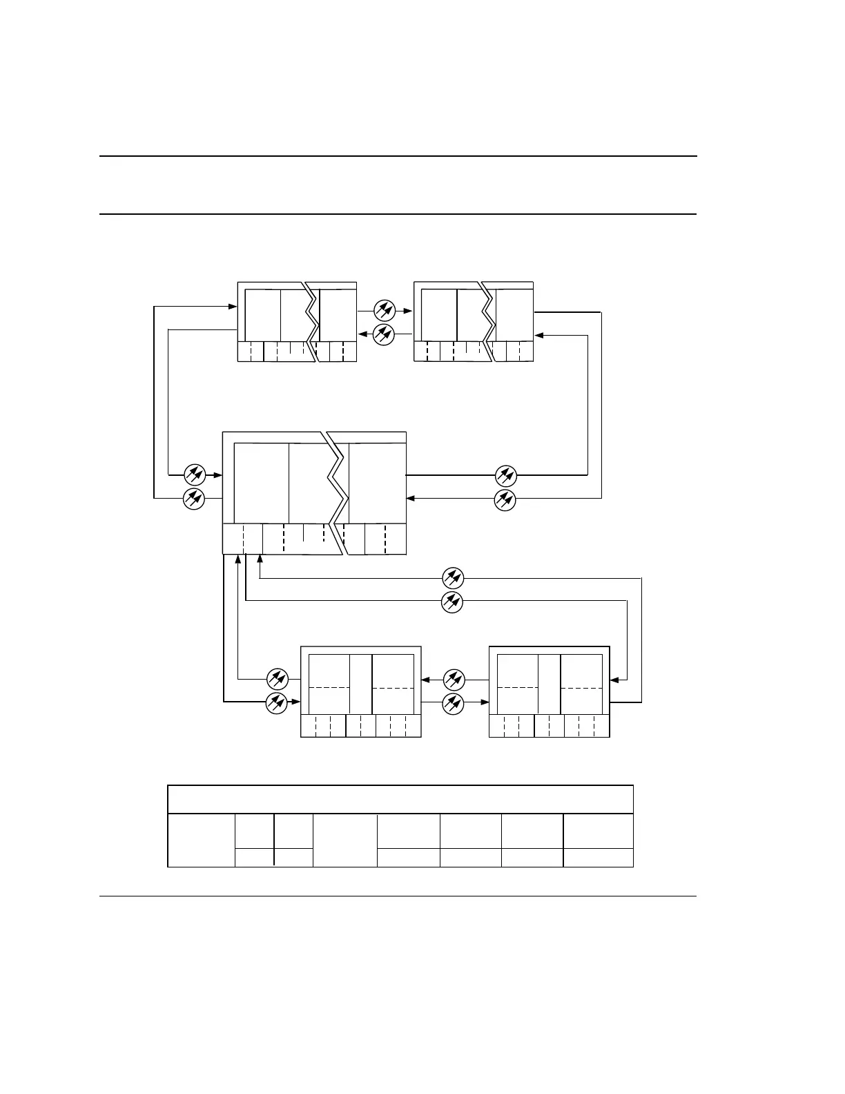
DDM-2000 OC-12 DCC Network Side (NS)/User Side (US) Defaults (set-fecom:nsus=ns/us)
23-Type OLIUs
(Rings
Application)
MAIN-B-1 MAIN-B-2
US NS
dcc-m1 dcc-m2
NS NS
21-Type OLIUs
(1+1)
FN-A FN-B FN-C FN-D
NS NS
dcc-a dcc-a dcc-c dcc-d
SettingsValueSideSide/NetworkUserHomedSingleofExample2.Figure

Table of Contents

Other manuals for Lucent Technologies DDM-2000 OC-12

Related product manuals