EasyManua.ls Logo

Lucent Technologies DDM-2000 OC-12 - Page 1458

Lucent Technologies DDM-2000 OC-12
1676 pages
Print Icon
To Next Page IconTo Next Page
To Next Page IconTo Next Page
To Previous Page IconTo Previous Page
To Previous Page IconTo Previous Page
Loading...
DLP-524 363-206-295
1997December1,Issue7of2Page
IN
OUT
IN
OUT
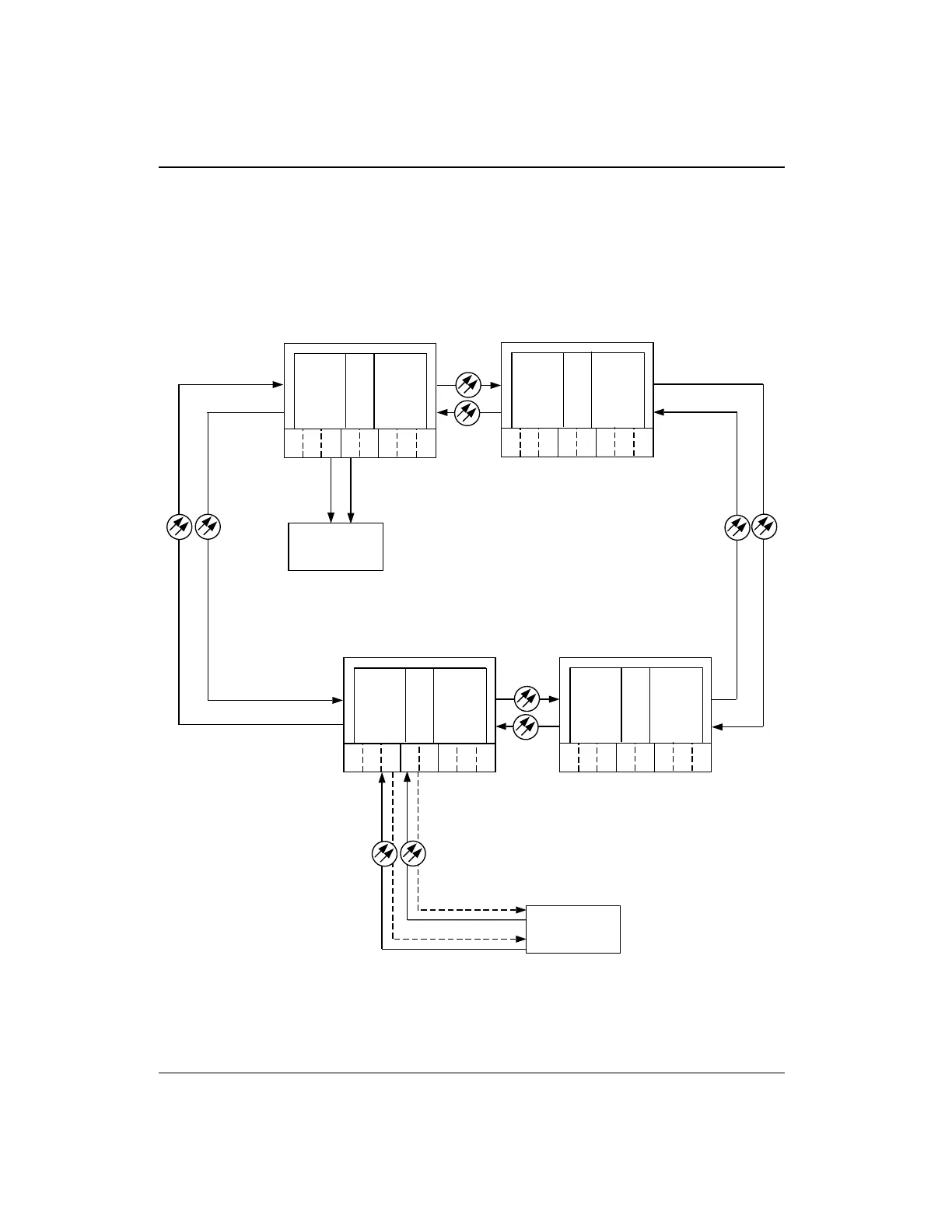
Node 4
OC12
DDM-2000 OC-12 Ring
IN
OUT
Node 3
MAIN B1
23G/23G-U
OLIU
MAIN B2(P)
23G/23G-U
OLIU
A
BC
C
B
1
2(P)
2(P)
A
D
D
1
2(P)
TSI
MAIN B1
23G/23G-U
OLIU
MAIN B2(P)
23G/23G-U
OLIU
A
BC
C
B
1
2(P)
A
D
D
1
2(P)
TSI
1
DDM-2000 OC-12
DDM-2000 OC-12
OC12
Node 1
MAIN B2(P)
23G/23G-U
OLIU
MAIN B1
23G/23G-U
OLIU
A
BC
C
B
1
2(P)
2(P)
A
D
D
1
2(P)
TSI
DDM-2000 OC-12
Node 2
MAIN B2(P)
23G/23G-U
OLIU
MAIN B1
23G/23G-U
OLIU
A
BC
C
B
1
1
2(P)
2(P)
2(P)
A
D
D
1
2(P)
TSI
DDM-2000 OC-12
IN
OC12
OUT
OC12
OC-3c (STS-3c)
21G-U
OLIU
21G-U
OLIU
STS-3c/OC-3c
Source
1
2(P)
1
1
21G-U
OLIU
21G-U
OLIU
CO
RT
RT
RT
OC-3c (STS-3c)
Termination
1
2(P)
(1+1)
(1+1)
SchematicNetworkTransportSTS-3cSample1.Figure

Table of Contents

Other manuals for Lucent Technologies DDM-2000 OC-12

Related product manuals