EasyManua.ls Logo

Lucent Technologies DDM-2000 OC-12 - Page 152

Lucent Technologies DDM-2000 OC-12
1676 pages
Print Icon
To Next Page IconTo Next Page
To Next Page IconTo Next Page
To Previous Page IconTo Previous Page
To Previous Page IconTo Previous Page
Loading...
363-206-295
Transmission and Synchronization Interfaces
Issue 1 December 1997 5-5
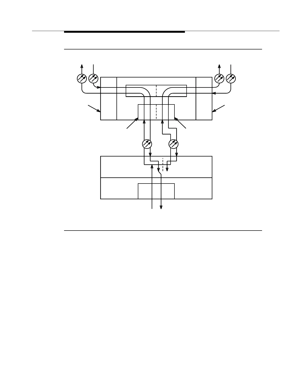
Figure 5-2. OC-3/OC-12 Ring (0x1) Low-Speed Interfaces — Single Homing
O
L
I
U
TSI
21-Type
OLIUS
O
L
I
U
DDM-2000 OC-12 Shelf
DDM-2000 OC-3 Shelf
DS1/DS3/EC-1/OC-3
Main-1
22-Type OLIU
Main-2
22-Type OLIU
Ring
1
Ring
2
Ring
1
Ring
2
FN ( )-1 FN ( )-2
Main B-2
Main B-1
OC-3 OC-3

Table of Contents

Other manuals for Lucent Technologies DDM-2000 OC-12

Related product manuals