EasyManua.ls Logo

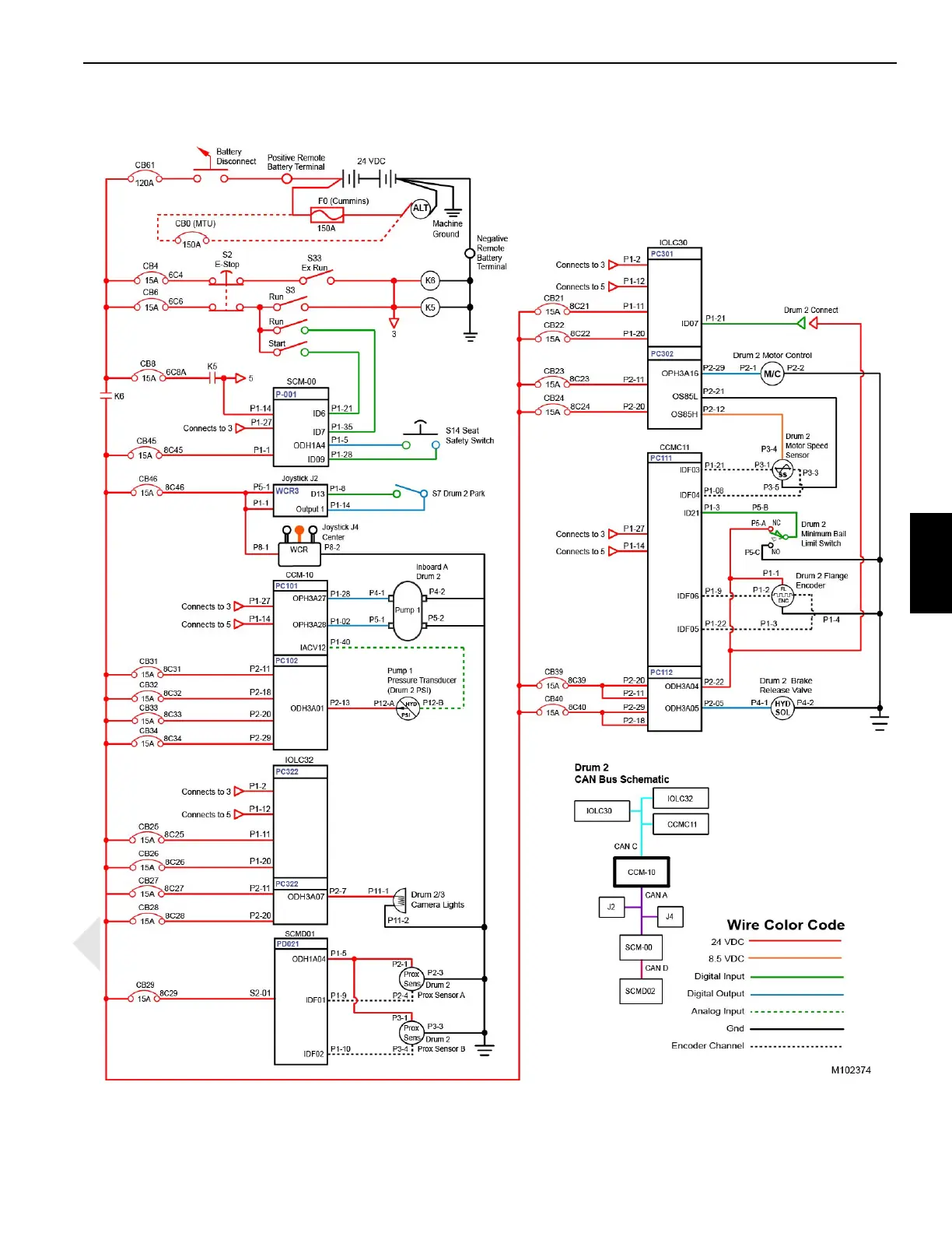
Manitowoc MLC300 - Drum 2 Electrical Schematic

Manitowoc MLC300
280 pages
Print Icon
To Next Page IconTo Next Page
To Next Page IconTo Next Page
To Previous Page IconTo Previous Page
To Previous Page IconTo Previous Page
Loading...
Reference Only
Manitowoc Published 11-22-17, Control # 257-02 5-9
MLC300 SERVICE/MAINTENANCE MANUAL HOISTS
5
Drum 2 Electrical Schematic
FIGURE 5-5

Table of Contents

Other manuals for Manitowoc MLC300

Related product manuals