EasyManua.ls Logo

Merging Anubis - Bass Management Signal Flow

Merging Anubis
111 pages
Print Icon
To Next Page IconTo Next Page
To Next Page IconTo Next Page
To Previous Page IconTo Previous Page
To Previous Page IconTo Previous Page
Loading...
51
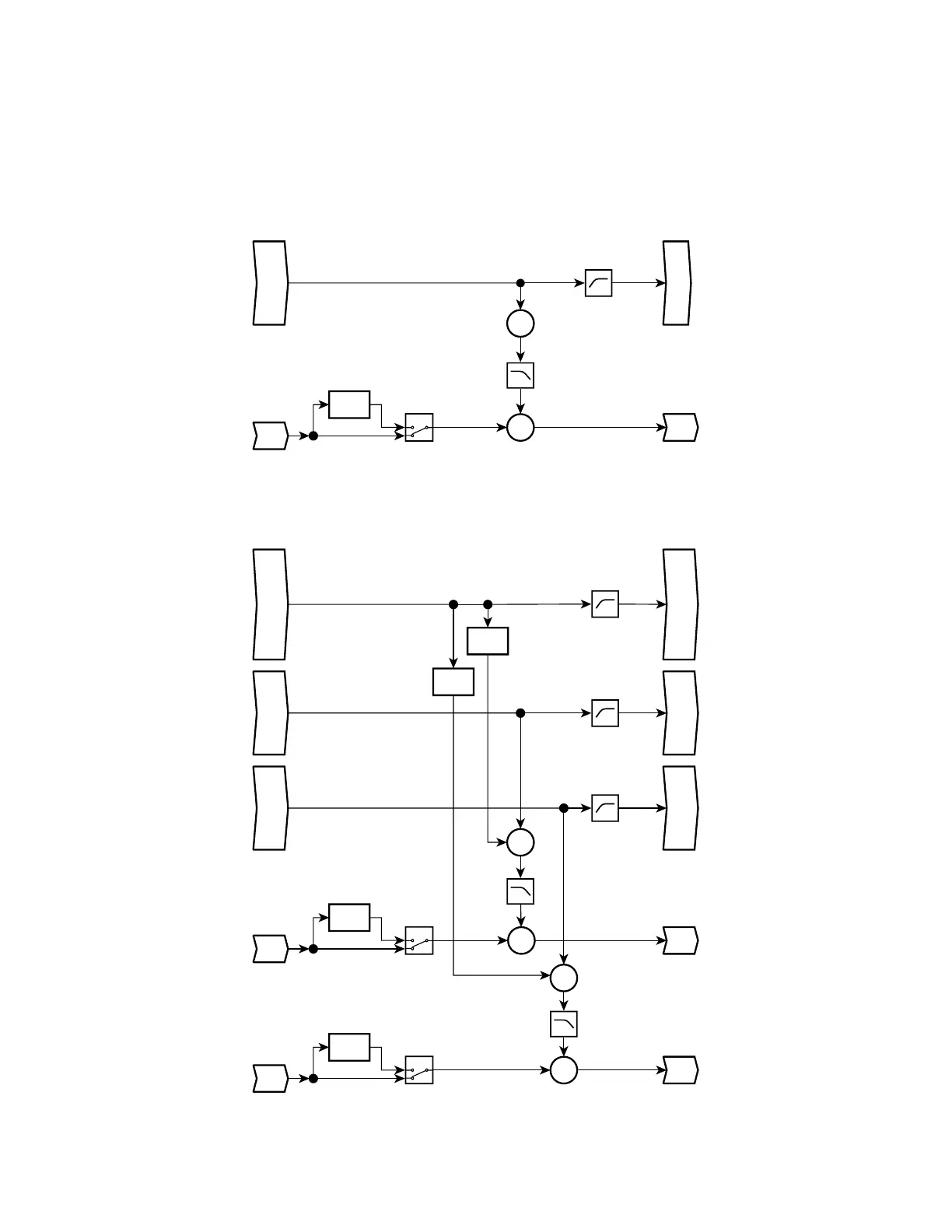
Bass Management Signal flow






















































Table of Contents

Other manuals for Merging Anubis

Related product manuals