EasyManua.ls Logo

Mitsubishi 4G9 series - Removal and Installation <DOHC-GDI for PAJERO io>

Mitsubishi 4G9 series
130 pages
Print Icon
To Next Page IconTo Next Page
To Next Page IconTo Next Page
To Previous Page IconTo Previous Page
To Previous Page IconTo Previous Page
Loading...
4G9 ENGINE (E-W) -
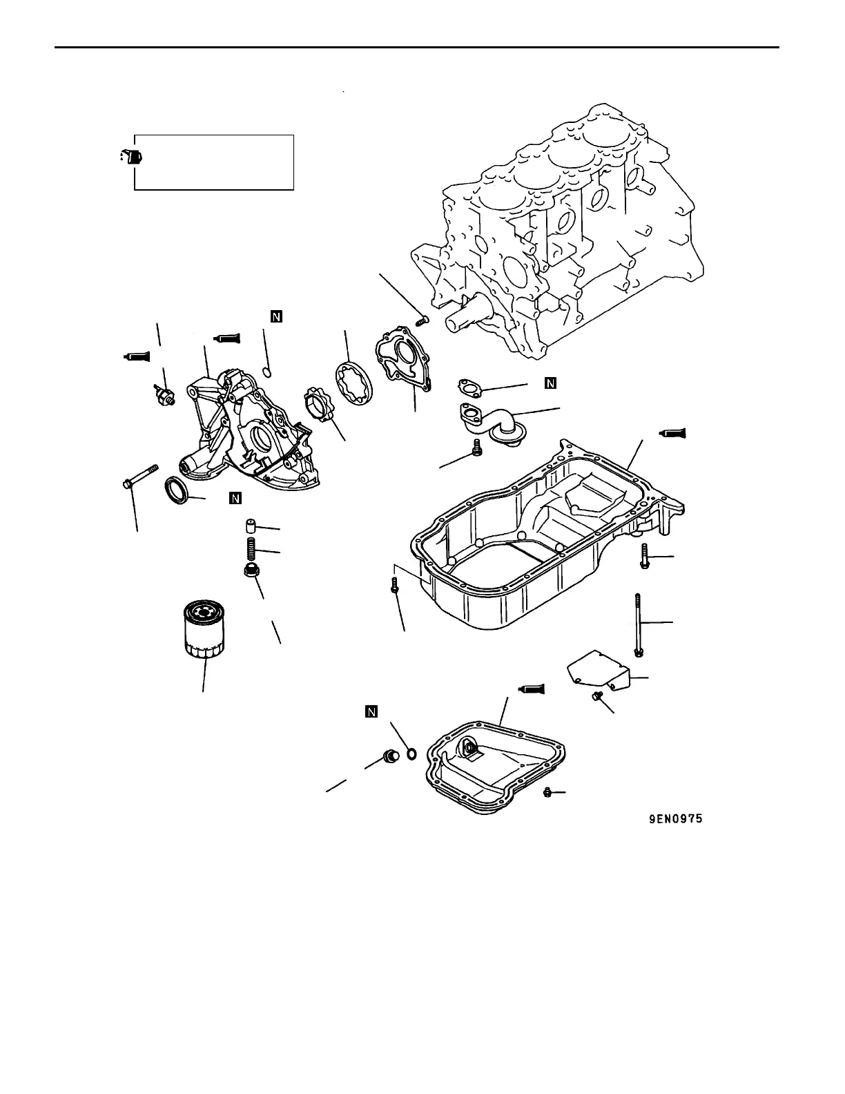
Front Case and Oil pump
11A-10-3
REMOVAL AND INSTALLATION <DOHC-GDI for PAJERO io>
10 Nm
19 Nm
14 Nm
44 Nm
39 Nm
7Nm
Apply engine oil to all
moving parts before
installation.
12
1
9
10
11
2
3
6
5
4
7
8
15
16
17
14
13
18
7Nm
24 Nm
7Nm
10 Nm
7Nm
Removal steps
"
F
A 1. Oil pressure switch
"
E
A 2. Oil filter
3. Drain plug
4. Drain plug gasket
5. Cover
A
B
""
D
A 6. Upper oil pan
"
D
A 7. Lower oil pan
8. Oil screen
9. Oil screen gasket
10. Relief plug
11. Relief spring
12. Relief plunger
"
C
A 13. Oil seal
"
B
A 14. Oil pump case
15. O-ring
16. Oil pump case cover
A
C
""
A
A 17. Outer rotor
A
C
""
A
A 18. Inner rotor
PWEE9502-E
E
Dec. 1998Mitsubishi Motors Corporation Revised

Table of Contents

Other manuals for Mitsubishi 4G9 series

Related product manuals