EasyManua.ls Logo

Mitsubishi 4G9 series - 12. Crankshaft, Cylinder Block, Flywheel and Drive Plate; Removal and Installation

Mitsubishi 4G9 series
130 pages
Print Icon
To Next Page IconTo Next Page
To Next Page IconTo Next Page
To Previous Page IconTo Previous Page
To Previous Page IconTo Previous Page
Loading...
4G9 ENGINE (E-W)
-
Crankshaft, Cylinder Block, Flywheel and Drive Plate
11A-12-1
PWEE9502-C
E
July 1997Mitsubishi Motors Corporation Revised
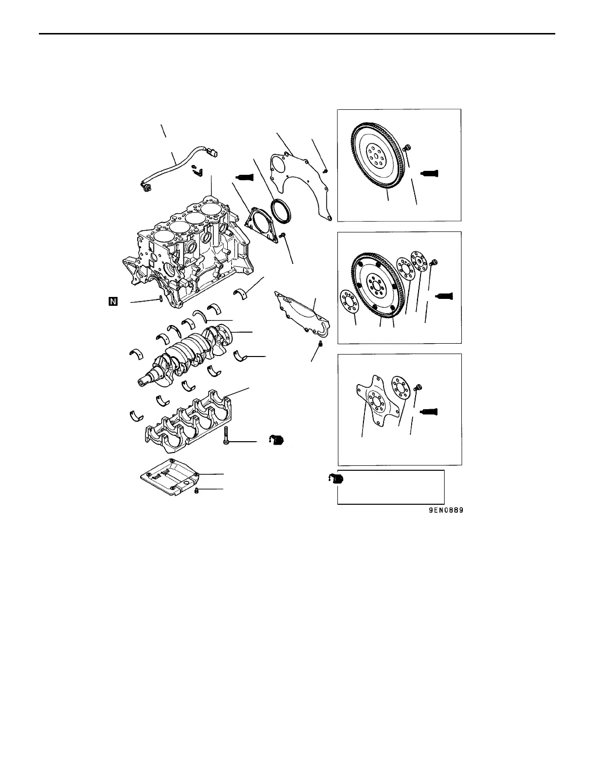
12. CRANKSHAFT, CYLINDER BLOCK, FLYWHEEL AND DRIVE
PLATE
REMOVAL AND INSTALLATION
11 Nm
98 Nm
98 Nm
11 Nm
9Nm
Apply engine oil to
all moving parts
before installation.
16
17
18
19
20
21
24
11
9
10
3
4
5
6
7
8
9Nm
22
22 Nm
23
12
15
14
13
M/T
<engines with conven-
tional flywheel>
M/T <engines with
flexible flywheel>
98 Nm
1
2
A/T
A
Removal steps
"
F
A
1. Flywheel bolt
2. Flywheel
"
F
A
3. Flywheel bolt
4. Plate
5. Adapter plate
6. Flywheel
7. Adapter plate
"
F
A
8. Drive plate bolt
9. Adapter plate
10. Drive plate
11. Rear plate
12. Bell housing cover <SOHC>
"
E
A
13. Rear oil seal case
"
D
A
14. Oil seal
15. Baffle plate
<DOHC- MIVEC and DOHC- GDI>
"
C
A
16. Bearing cap bolt
"
C
A
17. Bearing cap
"
B
A
18. Crankshaft bearing, lower
19. Crankshaft
"
B
A
20. Thrust plate
"
B
A
21. Crankshaft bearing, upper
22. Knock sensor
<DOHC- MIVEC and DOHC- GDI>
A
A
""
A
A
23. Oil jet
<DOHC- MIVEC and DOHC- GDI>
24. Cylinder block
Caution
On the flexible wheel equipped engines, do not remove any of the bolts “A” of the flywheel shown
in the illustration.
The balance of the flexible flywheel is adjusted in an assembled condition. Removing the bolt,
therefore, can cause the flexible flywheel to be out of balance, giving damage to the flywheel.

Table of Contents

Other manuals for Mitsubishi 4G9 series

Related product manuals