EasyManua.ls Logo

Mitsubishi 4G9 series - 9. Cylinder Head and Valves; Removal and Installation <SOHC>

Mitsubishi 4G9 series
130 pages
Print Icon
To Next Page IconTo Next Page
To Next Page IconTo Next Page
To Previous Page IconTo Previous Page
To Previous Page IconTo Previous Page
Loading...
4G9 ENGINE (E-W) -
Cylinder Head and Valves
11A-9-1
PWEE9502
E
May 1995Mitsubishi Motors Corporation
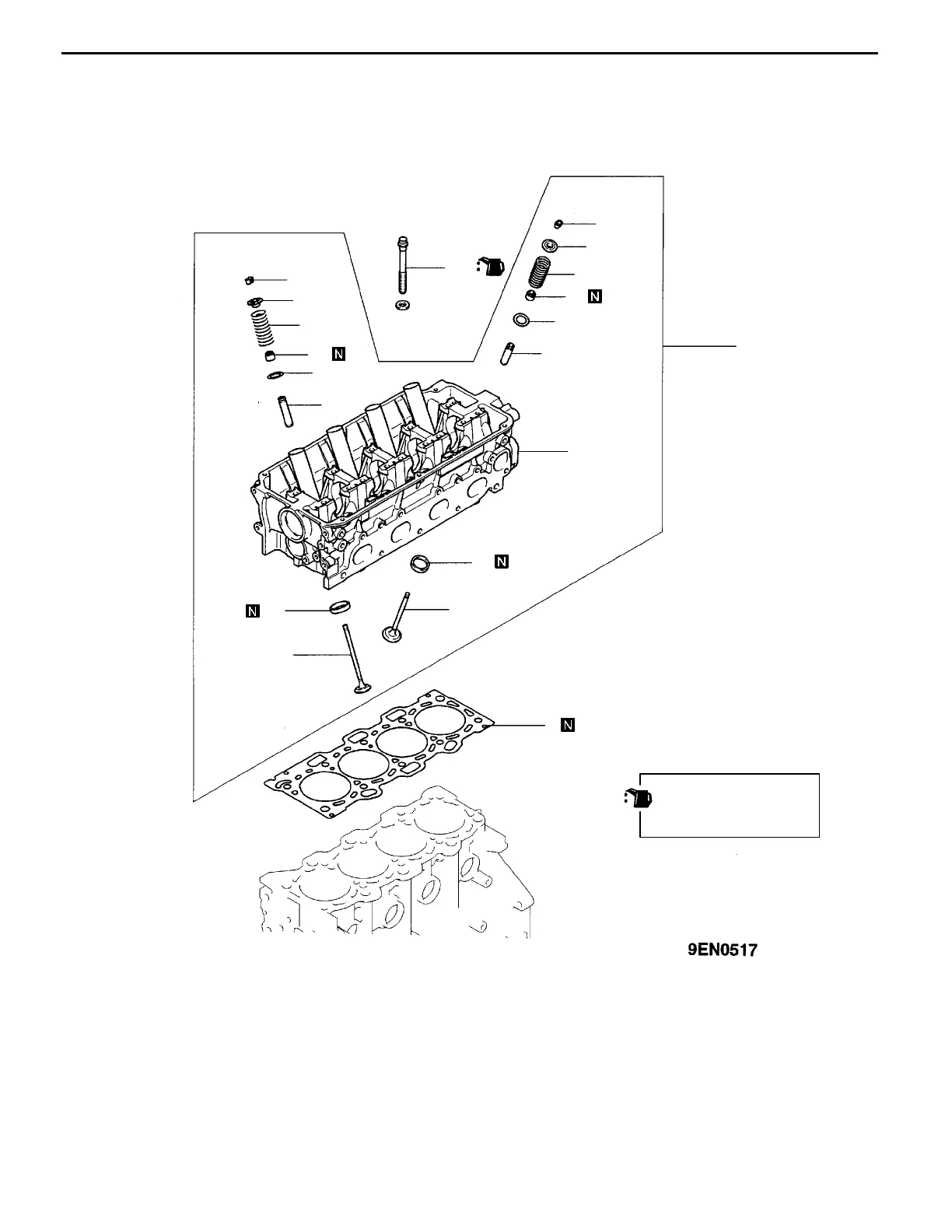
9. CYLINDER HEAD AND VALVES
11300690072
REMOVAL AND INSTALLATION <SOHC>
Lubricate all internal
parts with engine oil
during reassembly.
3
19
11
7
18
20
2
16
13
12
6
5
4
17
15
14
10
9
8
1
Removal steps
A
A
""
D
A
1. Cylinder head bolt
2. Cylinder head assembly
3. Cylinder head gasket
A
B
""
C
A
4. Retainer lock
5. Valve spring retainer
"
B
A
6. Valve spring
7. Exhaust valve
A
B
""
C
A
8. Retainer lock
9. Valve spring retainer
"
B
A
10. Valve spring
11. Intake valve
A
C
""
A
A
12. Valve stem seal
13. Valve spring seat
A
C
""
A
A
14. Valve stem seal
15. Valve spring seat
16. Exhaust valve guide
17. Intake valve guide
18. Exhaust valve seat
19. Intake valve seat
20. Cylinder head

Table of Contents

Other manuals for Mitsubishi 4G9 series

Related product manuals