EasyManua.ls Logo

Mitsubishi 4G9 series - 5 a. Throttle Body and EGR System (GDI); Removal and Installation <For CARISMA>

Mitsubishi 4G9 series
130 pages
Print Icon
To Next Page IconTo Next Page
To Next Page IconTo Next Page
To Previous Page IconTo Previous Page
To Previous Page IconTo Previous Page
Loading...
4G9 ENGINE (E-W) -
Throttle Body and EGR System (GDI)
11A-5a-1
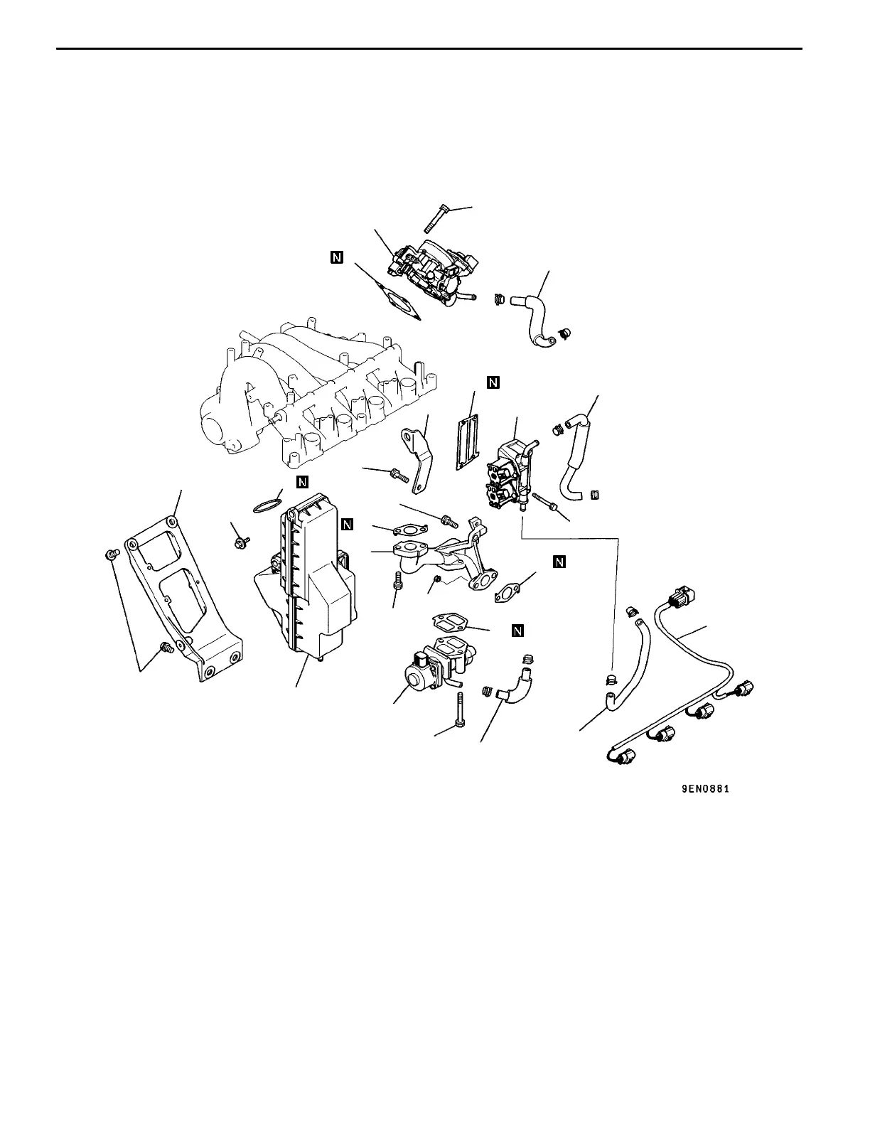
5a. THROTTLE BODY AND EGR SYSTEM (GDI)
REMOVAL AND INSTALLATION <For CARISMA>
18 Nm
30 Nm
24 Nm
9Nm
14
13
8
11
10
12
1
9
5
6
7
32
15
4
16
17
18 Nm
18 Nm
18 Nm
18 Nm
9Nm
14
Removal steps
1. Air intake plenum resonator
2. O-ring
"
B
A 3. Intake manifold stay
4. Water hose
5. Water hose
6. Throttle body
"
A
A 7. Throttle body gasket
8. Ignition harness
9. Water hose
10. EGR valve
11. EGR valve gasket
12. Engine hanger
13. EGR valve support
14. Gasket
15. Water hose
16. Air by-pass valve
17. Air by-pass valve gasket
PWEE9502-E
E
Dec. 1998Mitsubishi Motors Corporation Revised

Table of Contents

Other manuals for Mitsubishi 4G9 series

Related product manuals