EasyManua.ls Logo

Mitsubishi 4G9 series - 6 a. Intake Manifold (GDI); Removal and Installation <For CARISMA, SPACE STAR>

Mitsubishi 4G9 series
130 pages
Print Icon
To Next Page IconTo Next Page
To Next Page IconTo Next Page
To Previous Page IconTo Previous Page
To Previous Page IconTo Previous Page
Loading...
4G9 ENGINE (E-W) -
Intake Manifold (GDI)
11A-6a-1
PWEE9502-D
E
Jun. 1998Mitsubishi Motors Corporation
Revised
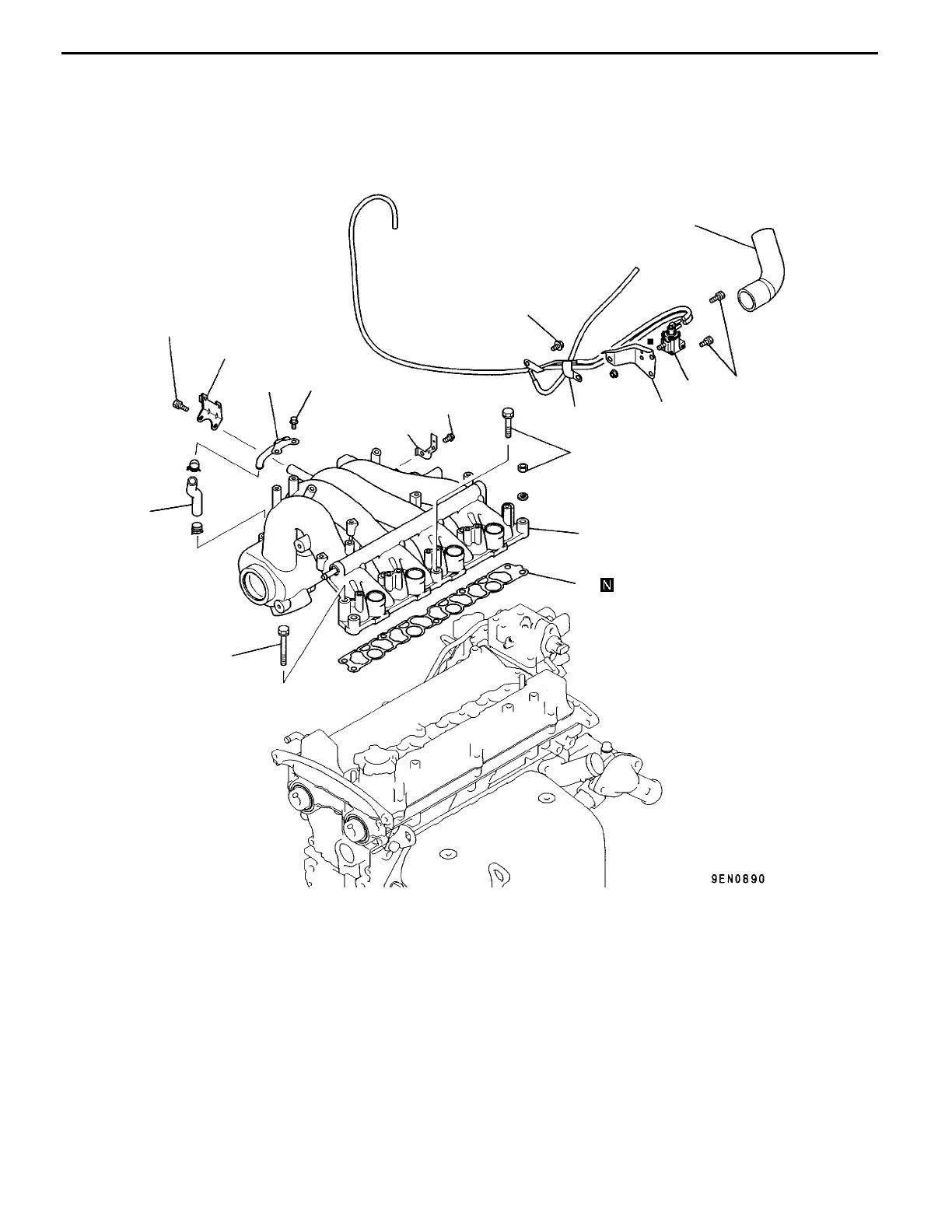
6a. INTAKE MANIFOLD (GDI)
REMOVAL AND INSTALLATION <For CARISMA, SPACE STAR>
11 Nm
19 Nm
9Nm
8
10
1
9
5
6
7
3
2
4
11 Nm
11 Nm
9Nm
19 Nm
Removal steps
1. Air by-pass hose
2. Vacuum pipe and hose
3. Bracket
4. Solenoid valve
5. Connector bracket
6. Accelerator cable bracket
7. Vacuum hose
8. Vacuum pipe
9. Intake manifold
10. Intake manifold gasket

Table of Contents

Other manuals for Mitsubishi 4G9 series

Related product manuals