EasyManua.ls Logo

Mitsubishi 4G9 series - 6 c. Injector and Fuel Pump Assembly (GDI); Removal and Installation <For CARISMA>

Mitsubishi 4G9 series
130 pages
Print Icon
To Next Page IconTo Next Page
To Next Page IconTo Next Page
To Previous Page IconTo Previous Page
To Previous Page IconTo Previous Page
Loading...
4G9 ENGINE (E-W) -
Injector and Fuel Pump Assembly (GDI)
11A-6c-1
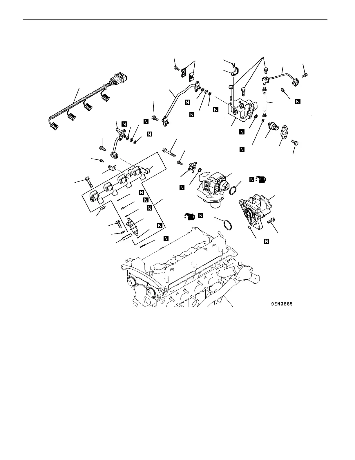
6c. INJECTOR AND FUEL PUMP ASSEMBLY (GDI)
REMOVAL AND INSTALLATION <For CARISMA>
18 Nm
17
±
2Nm
9Nm
14
13
8
11
10
12
1
9
5
6
7
3
2
15
4
16
17
18
19
20
28
30
21
29
25
26
27
23
22
24
38
31
35
36
37
33
32
34
11 Nm
23 Nm
22 Nm
9Nm
9Nm
11 Nm
11 Nm
11 Nm
11 Nm
23 Nm
Removal steps
1. Fuel hose
2. Fuel low pressure pipe
3. O-ring
4. Fuel nipple
5. O-ring
6. Clamp
"
F
A 7. Fuel feed pipe
8. Backup ring
9. O-ring
10. Backup ring
"
F
A 11. Fuel pump
12. O-ring
13. Harness bracket
14. Fuel return pipe
15. Backup ring
16. O-ring
17. Backup ring
"
E
A 18. Fuel high pressure regulator
19. Flange
"
D
A 20. Fuel pressure sensor
21. O-ring
22. Backup ring
"
C
A 23. Pump camshaft case
24. O-ring
25. O-ring
26. Harness bracket
27. Injector harness
28. Washer
29. Injector holder
"
B
A 30. Delivery pipe and injector
31. Insulator
32. Injector gasket
33. Injector
"
A
A 34. Corrugated washer
"
A
A 35. Backup ring
"
A
A 36. O-ring
"
A
A 37. Backup ring
38. Delivery pipe
PWEE9502-E
E
Dec. 1998Mitsubishi Motors Corporation Revised

Table of Contents

Other manuals for Mitsubishi 4G9 series

Related product manuals