EasyManua.ls Logo

Mitsubishi 4G9 series - 11. Piston and Connecting Rod; Removal and Installation

Mitsubishi 4G9 series
130 pages
Print Icon
To Next Page IconTo Next Page
To Next Page IconTo Next Page
To Previous Page IconTo Previous Page
To Previous Page IconTo Previous Page
Loading...
4G9 ENGINE (E-W) -
Piston and Connecting Rod
11A-11-1
PWEE9502
E
May 1995Mitsubishi Motors Corporation
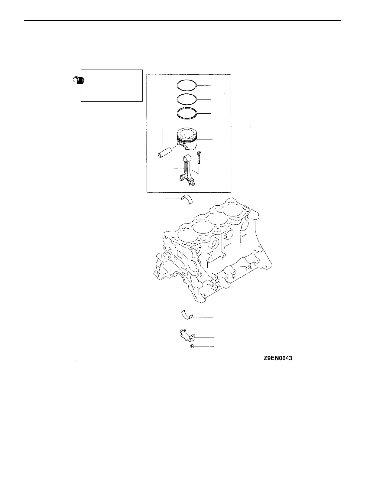
11. PISTON AND CONNECTING ROD
REMOVAL AND INSTALLATION
Lubricate all inter-
nal parts with en-
gine oil during re-
assembly.
6
7
8
10
12
9
11
4
5
3
2
1
Removal steps
"
G
A
1. Nut
A
A
""
F
A
2. Connecting rod cap
"
E
A
3. Connecting rod bearing
"
D
A
4. Piston and connecting rod
"
E
A
5. Connecting rod bearing
"
C
A
6. Piston ring No. 1
"
C
A
7. Piston ring No. 2
"
B
A
8. Oil ring
A
B
""
A
A
9. Piston pin
10. Piston
11. Connecting rod
12. Bolt

Table of Contents

Other manuals for Mitsubishi 4G9 series

Related product manuals