EasyManua.ls Logo

Mitsubishi 4G9 series - Removal and Installation <DOHC>

Mitsubishi 4G9 series
130 pages
Print Icon
To Next Page IconTo Next Page
To Next Page IconTo Next Page
To Previous Page IconTo Previous Page
To Previous Page IconTo Previous Page
Loading...
4G9 ENGINE (E-W) -
Cylinder Head and Valves
11A-9-2
PWEE9502
E
May 1995Mitsubishi Motors Corporation
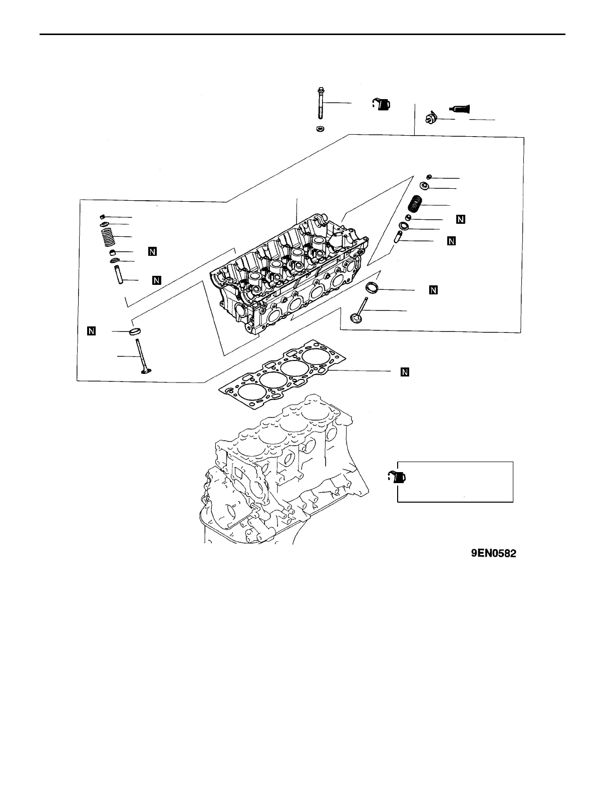
REMOVAL AND INSTALLATION <DOHC>
Lubricate all internal
parts with engine oil
during assembly.
4
19
7
15
20
12
16
18
13
6
10
9
17
11
14
5
2
8
3
1
10 Nm
21
Removal steps
"
E
A
1. Oil pressure switch
A
A
""
D
A
2. Cylinder head bolt
3. Cylinder head assembly
4. Cylinder head gasket
A
B
""
C
A
5. Retainer lock
6. Valve spring retainer
"
B
A
7. Valve spring
8. Exhaust valve
A
B
""
C
A
9. Retainer lock
10. Valve spring retainer
"
B
A
11. Valve spring
12. Intake valve
A
C
""
A
A
13. Valve stem seal
14. Valve spring seat
A
C
""
A
A
15. Valve stem seal
16. Valve spring seat
17. Exhaust valve guide
18. Intake valve guide
19. Exhaust valve seat
20. Intake valve seat
21. Cylinder head

Table of Contents

Other manuals for Mitsubishi 4G9 series

Related product manuals