EasyManua.ls Logo

Mitsubishi 4G9 series - Removal and Installation <DOHC-GDI for PAJERO io>

Mitsubishi 4G9 series
130 pages
Print Icon
To Next Page IconTo Next Page
To Next Page IconTo Next Page
To Previous Page IconTo Previous Page
To Previous Page IconTo Previous Page
Loading...
4G9 ENGINE (E-W)
-
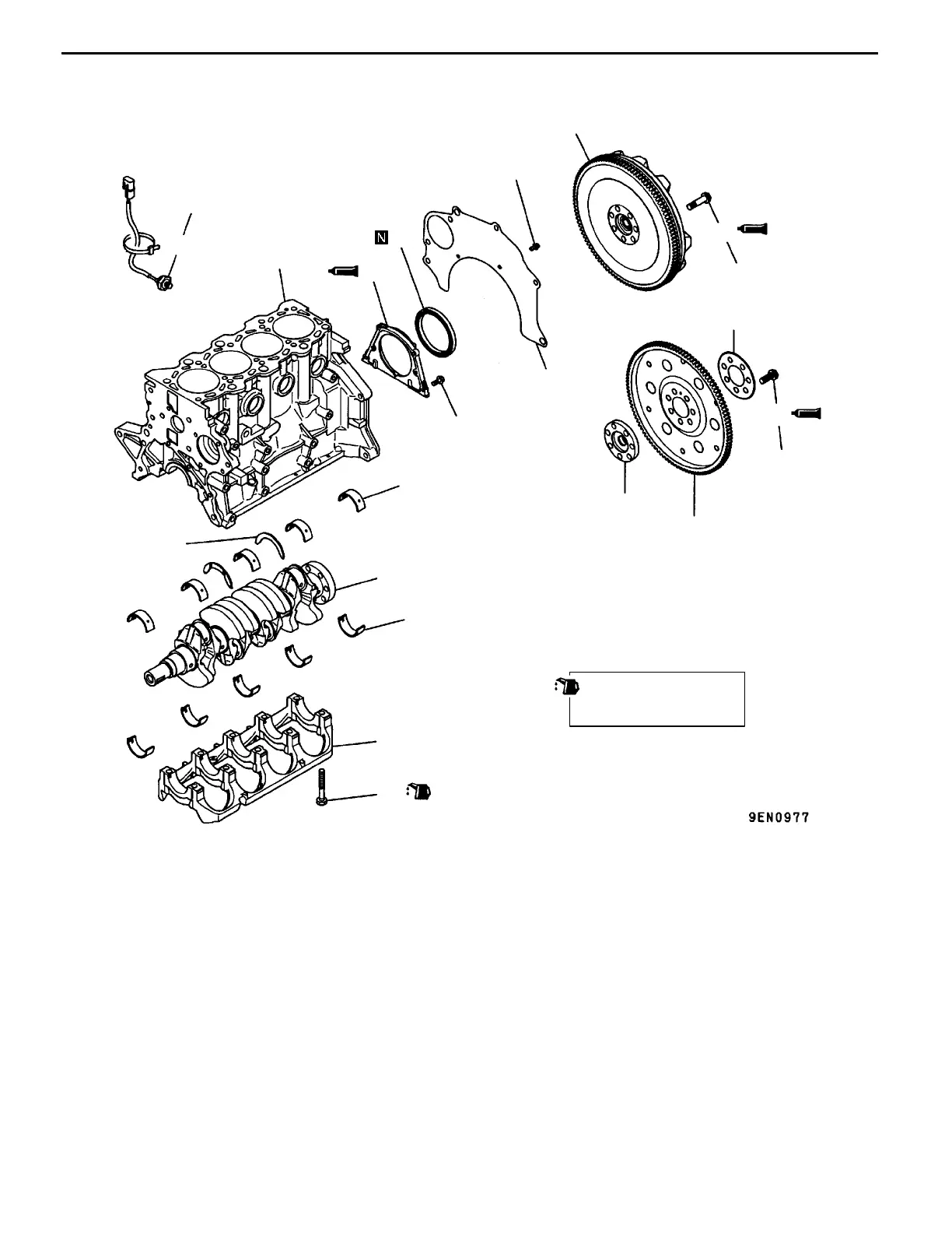
Crankshaft, Cylinder Block, Flywheel and Drive Plate
11A-12-1a
REMOVAL AND INSTALLATION <DOHC-GDI for PAJERO io>
11 Nm
98 Nm
11 Nm
Apply engine oil to
all moving parts
before installation.
16
17
11
9
10
3
4
5
6
7
8
22 Nm
12
15
14
13
98 Nm
1
2
Removal steps
"
F
A
1. Flywheel bolt <M/T>
2. Flywheel <M/T>
"
F
A
3. Drive plate bolt <A/T>
4. Adopter plate <A/T>
5. Drive plate <A/T>
6. Crankshaft adaptor <A/T>
7. Rear plate
"
E
A
8. Rear oil seal case
"
D
A
9. Oil seal
"
C
A
10. Bearing cap bolt
"
C
A
11. Bearing cap
"
B
A
12. Crankshaft bearing, lower
13. Crankshaft
"
B
A
14. Thrust plate
"
B
A
15. Crankshaft bearing, upper
16. Knock sensor
17. Cylinder block
PWEE9502-E
E
Dec. 1998Mitsubishi Motors Corporation Added

Table of Contents

Other manuals for Mitsubishi 4G9 series

Related product manuals