EasyManua.ls Logo

Mitsubishi 4G9 series - Removal and Installation <SOHC-MPI for PAJERO io>

Mitsubishi 4G9 series
130 pages
Print Icon
To Next Page IconTo Next Page
To Next Page IconTo Next Page
To Previous Page IconTo Previous Page
To Previous Page IconTo Previous Page
Loading...
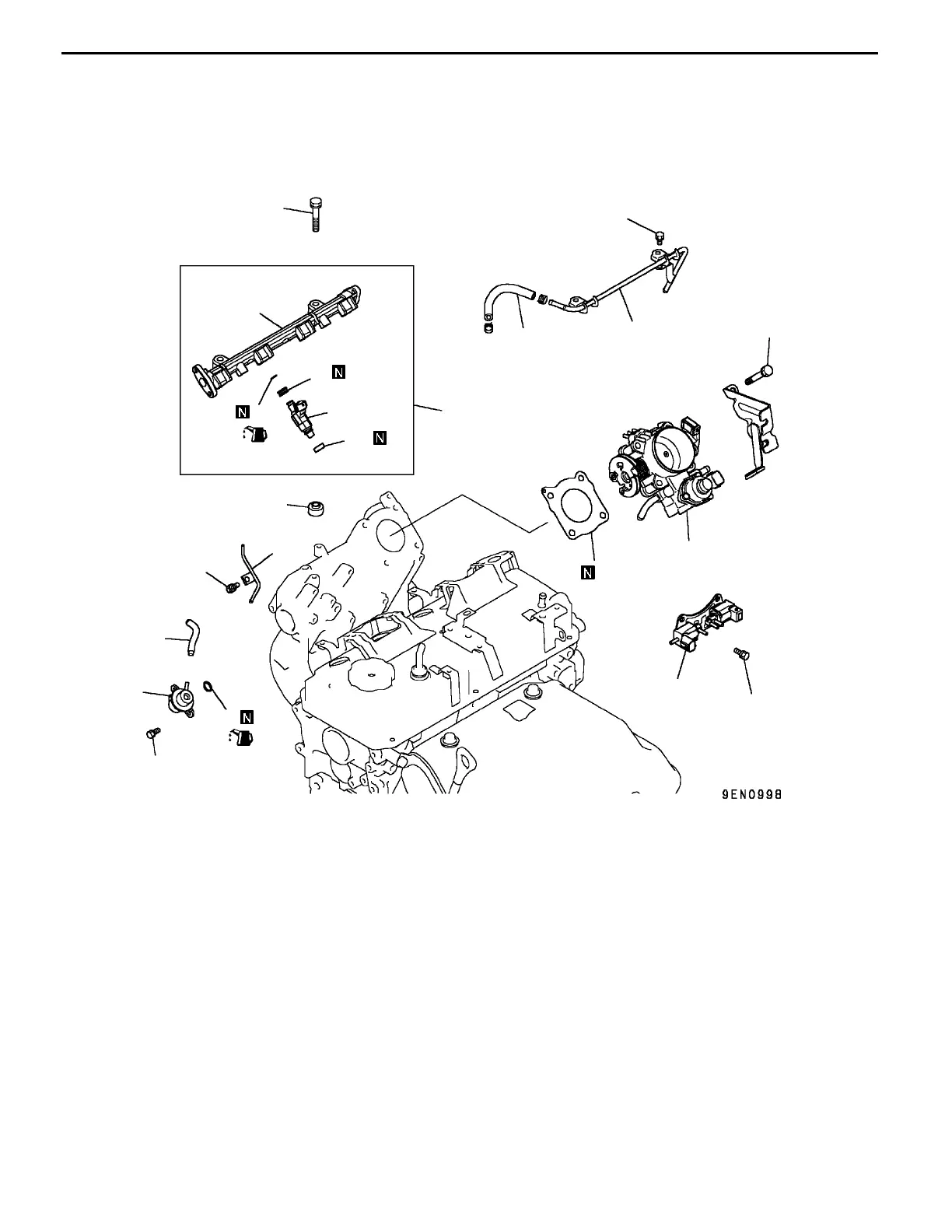
4G9 ENGINE (E-W) -
Fuel and Emission Control System
11A-5-3
REMOVAL AND INSTALLATION <SOHC-MPI for PAJERO io>
12 Nm
19 Nm
9Nm
9Nm
14
13
8
11
10
12
1
9
6
7
3
2
4
16
9Nm
9Nm
15
5
Removal steps
1. Vacuum hose and pipe assembly
2. Throttle body
"
C
A 3. Gasket
4. Vacuum hose
5. Fuel hose
"
B
A 6. Fuel pressure regulator
7. O-ring
8. Delivery pipe and injector
9. Insulator
10. Insulator
"
A
A 11. Injector
12. O-ring
13. Grommet
14. Delivery pipe
15. Fuel return pipe
16. Solenoid valve assembly
PWEE9502-E
E
Dec. 1998Mitsubishi Motors Corporation Revised

Table of Contents

Other manuals for Mitsubishi 4G9 series

Related product manuals