EasyManua.ls Logo

Mitsubishi 4G9 series - Removal and Installation <SOHC-MPI>

Mitsubishi 4G9 series
130 pages
Print Icon
To Next Page IconTo Next Page
To Next Page IconTo Next Page
To Previous Page IconTo Previous Page
To Previous Page IconTo Previous Page
Loading...
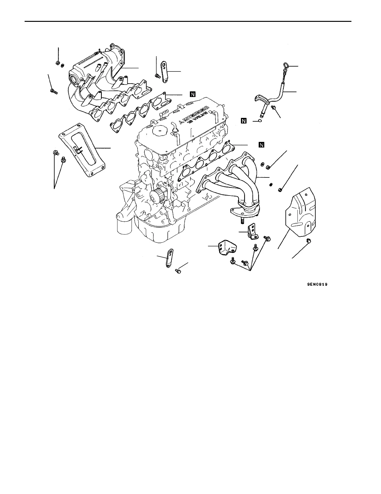
4G9 ENGINE (E-W) -
Intake and Exhaust Manifold
11A-6-2
PWEE9502-B
E
Nov. 1996Mitsubishi Motors Corporation Revised
REMOVAL AND INSTALLATION <SOHC-MPI>
20 Nm
20 Nm
12 Nm
30 Nm
29 Nm
18 Nm
13 Nm
19 Nm
14 Nm
7
6
5
8
9
10
11
13
4
1
3
2
12
12
Removal steps
1. Engine hanger
2. Intake manifold stay
3. Intake manifold
4. Intake manifold gasket
5. Oil level gauge
6. Oil level gauge guide
7. O-ring
8. Exhaust manifold cover
9. Engine hanger
"
A
A
10. Exhaust manifold bracket A
"
A
A
11. Exhaust manifold bracket B
12. Exhaust manifold
13. Exhaust manifold gasket

Table of Contents

Other manuals for Mitsubishi 4G9 series

Related product manuals