EasyManua.ls Logo

Mitsubishi 4G9 series - Removal and Installation <DOHC>

Mitsubishi 4G9 series
130 pages
Print Icon
To Next Page IconTo Next Page
To Next Page IconTo Next Page
To Previous Page IconTo Previous Page
To Previous Page IconTo Previous Page
Loading...
4G9 ENGINE (E-W) -
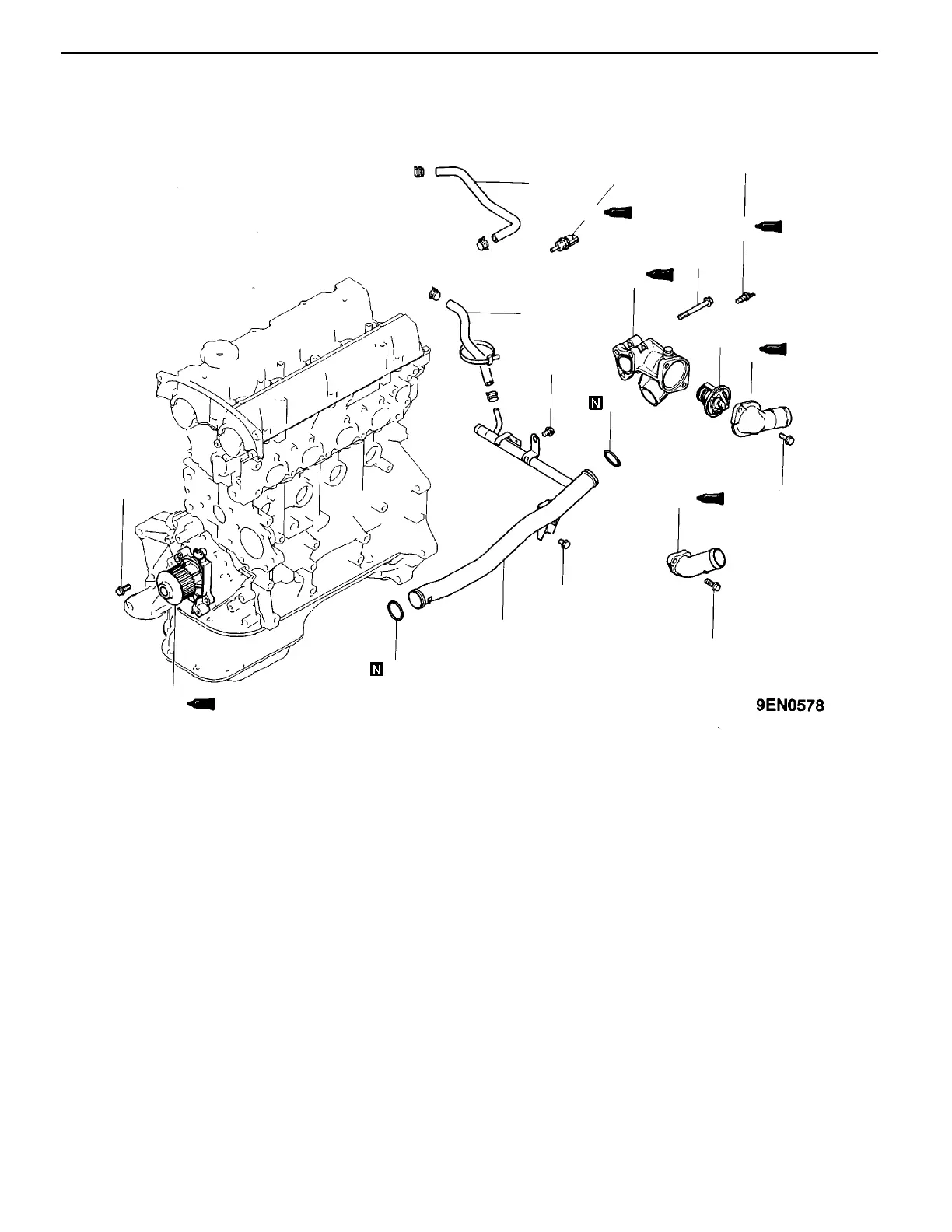
Water Pump and Water Hose
11A-7-2
PWEE9502
E
May 1995Mitsubishi Motors Corporation
REMOVAL AND INSTALLATION<DOHC>
29 Nm
10 Nm
24 Nm
14 Nm
14 Nm24 Nm
14 Nm
14 Nm
12
11
10
9
2
4
3
1
8
7
6
5
Removal steps
1. Water hose A
2. Water hose B
"
G
A
3. Engine coolant temperature sensor
"
F
A
4. Engine coolant temperature gauge
unit
"
E
A
5. Water outlet fitting
6. Water inlet fitting
"
D
A
7. Thermostat
"
C
A
8. Thermostat case
"
B
A
9. O-ring
"
B
A
10. Water inlet pipe
"
B
A
11. O-ring
"
A
A
12. Water pump

Table of Contents

Other manuals for Mitsubishi 4G9 series

Related product manuals