EasyManua.ls Logo

Mitsubishi 4G9 series - Removal and Installation <DOHC-GDI>

Mitsubishi 4G9 series
130 pages
Print Icon
To Next Page IconTo Next Page
To Next Page IconTo Next Page
To Previous Page IconTo Previous Page
To Previous Page IconTo Previous Page
Loading...
4G9 ENGINE (E-W) -
Cylinder Head and Valves
11A-9-4
3a
PWEE9502-C
E
July 1997Mitsubishi Motors Corporation Added
REMOVAL AND INSTALLATION <DOHC-GDI>
Apply engine oil to all
moving parts before
installation.
4
19
7
15
20
12
16
18
13
6
10
9
17
11
14
5
2
8
3
1
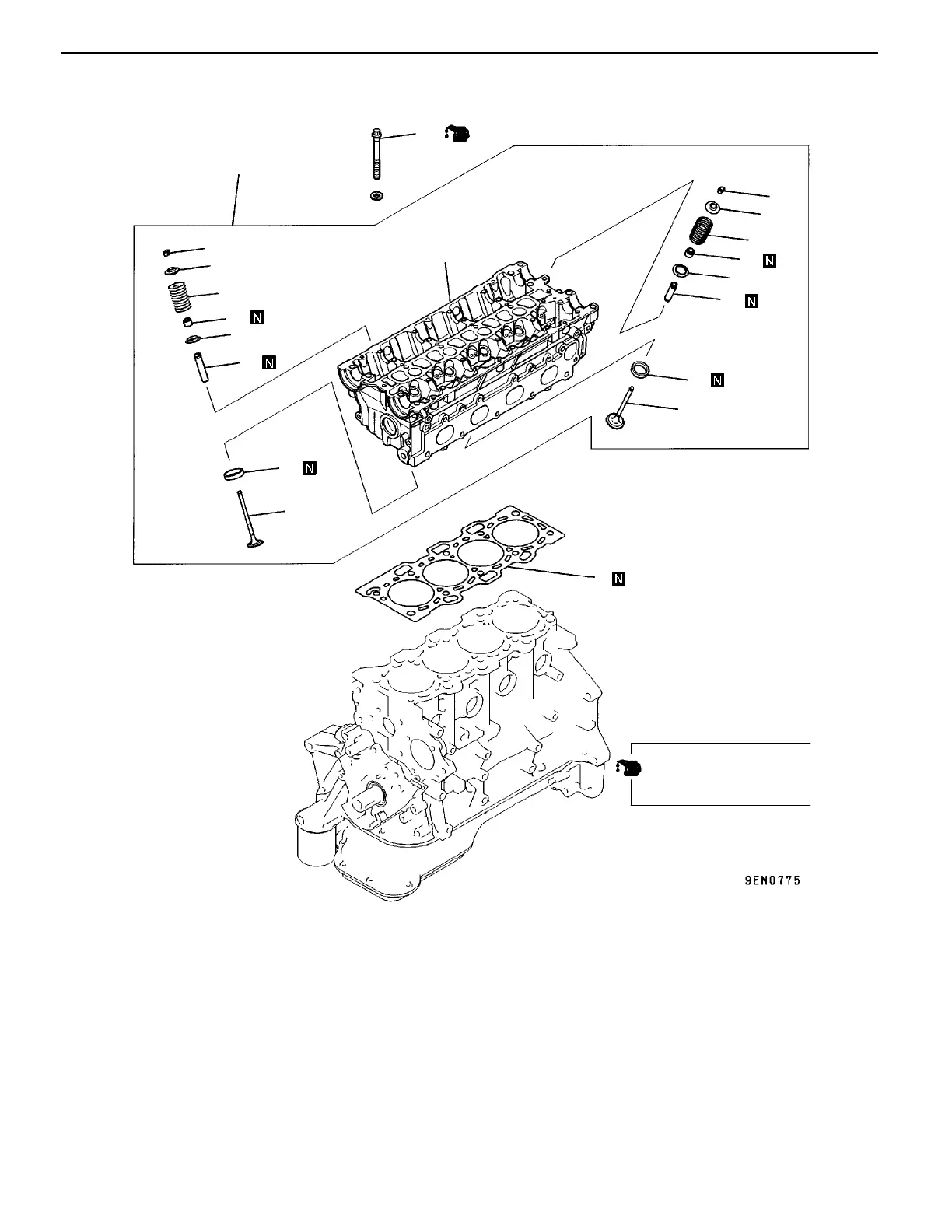
Removal steps
A
A
""
D
A
1. Cylinder head bolt
2. Cylinder head assembly
3. Cylinder head gasket
A
B
""
C
A
4. Retainer lock
5. Valve spring retainer
"
B
A
6. Valve spring
A
D
"
7. Intake valve
A
B
""
C
A
8. Retainer lock
9. Valve spring retainer
"
B
A
10. Valve spring
A
D
"
11. Exhaust valve
A
C
""
A
A
12. Valve stem seal
13. Valve spring seat
A
C
""
A
A
14. Valve stem seal
15. Valve spring seat
16. Intake valve guide
17. Exhaust valve guide
18. Intake valve seat
19. Exhaust valve seat
20. Cylinder head

Table of Contents

Other manuals for Mitsubishi 4G9 series

Related product manuals