EasyManua.ls Logo

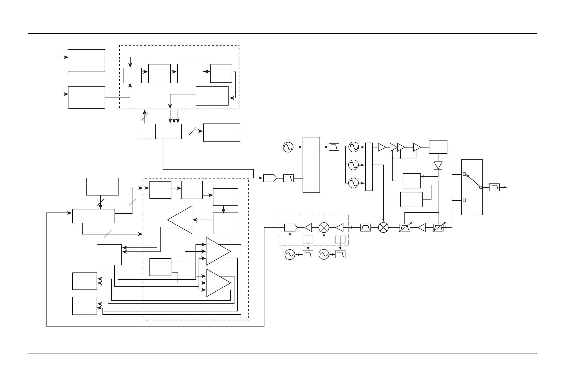
Motorola ATS 3000 - Figure 9.1-1. Radio Interconnect Block Diagram

Motorola ATS 3000
914 pages
Print Icon
To Next Page IconTo Next Page
To Next Page IconTo Next Page
To Previous Page IconTo Previous Page
To Previous Page IconTo Previous Page
Loading...
9.1-2 VHF Schematics, Board Overlays, and Parts Lists
February 14, 2012 6816985H01-F
Figure 9.1-1. Radio Interconnect Block Diagram
e
cn
e
ref
eR
rotallicsO
N
carF
102U
DOM
NI
pooL
retliF
FPL
002LF
CIPE
002Y
CAD
3
0
2
U
OC
V
C
I
BOCV
052U
OC
V
la
t
sy
rC
retliF
3LF
rex
iM
1
U
DN2
OL
elpmaS
klC
rotceleserP
retliF
2LF
C
I
CP
201U
e
r
utarepmeT
esneS
301U
rewoP
eludoM
1
0
1
Q
X
T
reffuB
612Q
re
v
i
rD X
T
r
ei
f
i
lpmA
101U
rewoP FR
ro
t
ce
t
eD
301D
l
a
n
oi
tc
e
riD
re
lpuoC
6
01U
a
nn
e
t
nA
hctiwS
rotceleserP
retliF
1LF
ANL XR
1Q
oT
an
netnA
cinomraH
retli
F
104U III SUCABA
O-25372-FPEAM
O
CV
Internal Mic Bias
R751, R753,
C751,
C753, C755
External Mic Bias
R750, R752,
C750, C752
C754
MUX
Pre-amp
G1 Gain
= 15 dB
Amp G2
Gain = -30
to 0 dB
CODEC
A/D 16-Bit
HPF = 200 Hz
& LPF = 3.4
kHz cutoff
CODEC_TX
CODEC_FSYNC
CODEC_DCLK
TX_SSI_FSYNC
TX_SSI_CLK
TX_DATA
3
4
MAKO_CS
SPI_MISOB
SPI_MOSIB
SCKB
EXT_MIC_P
INT_MIC_P
MAKO IC U701
RF D/A
U201
Patriot
SAP / BBP
Patriot
SPIB
ABACUS III
U401
RX_SSI_FSYNC
RX_SSI_CLK
RX_SSI_DATA
Patriot SPIB
Patriot SAP/BBP
MAKO_CS
SPI_MISOB
CODEC_RX
CODEC_DCLK
CODEC_FSYNC
VC_OUT_P
VC_OUT_M
PA_IN_M
PA_IN_P
SPI_MOSIB
SCKB
HP & LP
Filter = 22kHz,
200Hz
PA
Control
Digital
LPF = 3.4kHz
CODEC
16-Bit
D/A
G4
Preamp =
0 to 10
dB
G1 Digital
Gain = 0 or
1 dB
G3
Attenuator
= -52 to 0
dB
G5
EXT PA
=26 dB
G6
INT PA
=26 dB
MAKO IC U701
Internal
Speaker =
28 ohms
External
Speaker
3
4
3

Table of Contents

Related product manuals