EasyManua.ls Logo

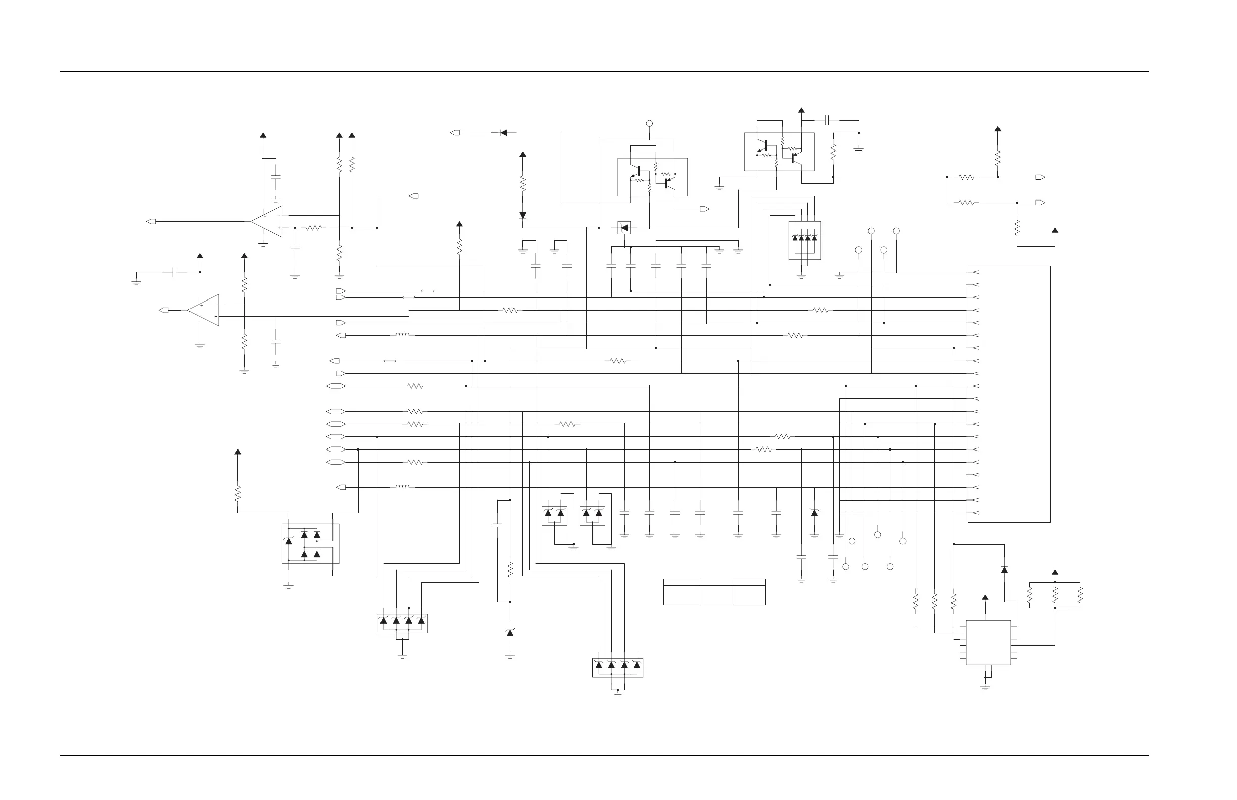
Motorola ATS 3000 - Figure 9.2-11. PMLE2537 G Side Connector Schematic

Motorola ATS 3000
914 pages
Print Icon
To Next Page IconTo Next Page
To Next Page IconTo Next Page
To Previous Page IconTo Previous Page
To Previous Page IconTo Previous Page
Loading...
9.2-12 UHF1 Schematics, Board Overlays, and Parts Lists
February 14, 2012 6816985H01-F
Figure 9.2-11. PMLE2537G Side Connector Schematic
5
LM7301
U601
1
OPT_SEL2_IN
2
4
3
V2.9
0.1uF
C638
V2.9
10K
R656
10K
R673
V2.9
R615
100K
R658
150K
C620
0.1uF
EXT_SPKR-
EXT_SPKR+
SPKR-
SPKR+
ONE_WIRE_OPT
RTS
EXT_MIC
R614
20K
330pF
C614
20K
R613
4
3
1
2
5
U602
LM7301
V2.9V2.9
0.10uF
C621
OPT_SEL1
VCC5
10K
R677
VR678
1
32
4
RS232_DO_USB+
RS232_DI_USB-
INT_MIC
CTS
LHDATA_KEYFAIL
LH_BUSY
100
R674
L652
270nH
R670
560R675
100
100
R669
5.6V
25
1346
VR659
100
R697
VR658
13V
1
2
VR662
5.6V
25
1346
700/800 MHz
2113945A58
BAND SPECIFIC CAPACITOR VALUES
CAP VALUE PART #BAND
2113944A40
910 pF
2113944A3239 pF
100 pF
VHF
UHF
RTS1
1
USB_D
1
1
1
BUSBUSY
1
CTS1
1
USB_D+
DNP
C868
.01uF
6.8V
VR657
1
2
100pF
C672
C867
.01uF
Band Specific
*C675*
100pF
33pF
C673
33pF
C680
470pF
C674C671
33pF
5.6V
VR652
VR651
5.6V
0.10uF
C607
390
R671
510
R666
Band Specific
*C655*
100pF 100pF
Band Specific
*C657*
100pF
Band Specific
*C653*
Band Specific
*C654*
100pF
*C656*
100pF
Band Specific
100pF
Band Specific
*C652*
100pF
Band Specific
*C658*
VR663
9.1V
2
3
1
5
2
3
6
4
1
Q698
1
VPP
OPT_B+_VPP
10K
10K
10K
10K
10K
10K
10K
10K
5
2
3
6
4
1
Q804
DNP
R654
10K
V2.9
.01uF
C866
K1
K2
K3
K4
VR650
12.6V
EXTSP+
1
EXTMIC
1
A2
A1
EXT_SP
1
GND
1
R608
100
R678
100
33
R837
33
R838
D603
12
VPP_EN
SW_B+
R668
68
12
D662
V2.9
OPT_SEL2_OUT
R667
390
L651
270nH
10K
R672
VDD
VSS
GND
NC1
NC2
NC3
S1
S2
S3
S4
U603
ADG1404
A0
A1
D
EN
12
3
13
7
8
9
4
5
11
10
1
14
6
2
SW_B+
10K 10K 10K
R685 R684
R686
R681
60.4
60.4
R682
60.4
R683
SW_B+
D601
CTS
RTS_USB_PWR
GND
GND
LH_DATA_KEYFAIL
OPT_B+_VPP
INT_MIC
OPT_SEL2
EXT_MIC
RS232_TX_USB+
GND
EXT_SPK+
INT_SPKR-
SPKR_COM
LH_BUSY
NC
GND
INT_SPK+
OPT_SEL1
RS232_RX_USB-
J650-17
J650-6
J650-20
J650-9
J650-8
J650-16
J650-18
J650-5
J650-3
J650-10
J650-11
J650-19
J650-1
J650-12
J650-7
J650-4
J650-15
J650-13
J650-14
J650-2
20 PIN CONN
J650
NP
NP
NP
V2.9
R635
0
R633
10K
10K
R636
V2.9
R634
0
MOD
HAB_MOD

Table of Contents

Related product manuals