EasyManua.ls Logo

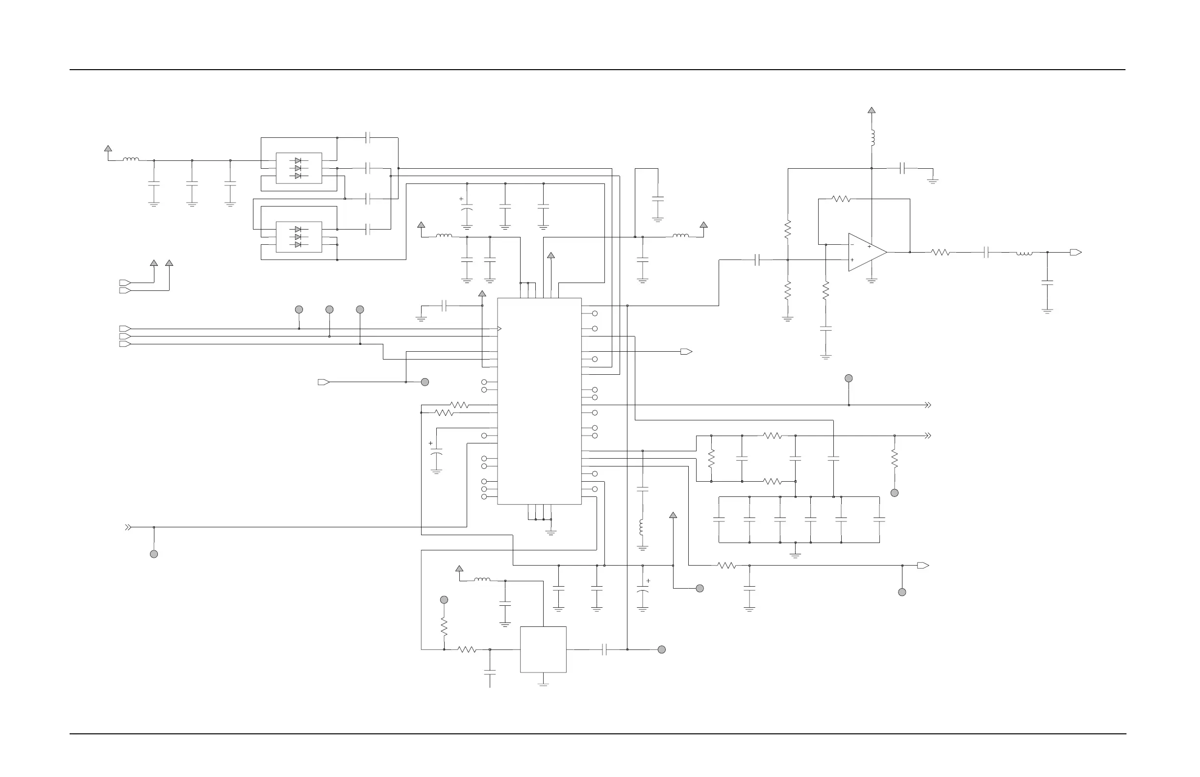
Motorola ATS 3000 - Figure 9.1-12. PMLD4303 A; PMLD4264 B Frequency Generation Unit (FGU) Schematic - Sheet 1 of 3

Motorola ATS 3000
914 pages
Print Icon
To Next Page IconTo Next Page
To Next Page IconTo Next Page
To Previous Page IconTo Previous Page
To Previous Page IconTo Previous Page
Loading...
VHF Schematics, Board Overlays, and Parts Lists 9.1-13
6816985H01-F February 14, 2012
Figure 9.1-12. PMLD4303A/ PMLD4264B Frequency Generation Unit (FGU) Schematic – Sheet 1 of 3
C240
VC_TP
1
0.1uF
PT
_
P
A
W
1
L200
1uH
2
1
LK_TP
1
330pF
C234
R203
220
TEST_POINT
SF_TP
1
ANA_3V
TEST_POINT
TP23
1
C222C220
.01uF 10uF330pF
C221
0.1uF
C211
.01uF
NC
C214
C230
NC
0.1uF
1
C237
0.1uF
1
TEST_POINT
TP207
1
TEST_POINT
TP209
ANA_3V
TEST_POINT
TP208
0.1uF
C248
ANA_3V
C233
33pF
270
R212
4
3
1
5
2
330
R211
NC
NC
U805
NC
C236
0.1uF
NC
NC
NC
NC
1
330pF
C245
TEST_POINT
AUX3_TP
0.1uF
C218
L203
2.2uH
NC
R204
R214
1K
1
NC
56K
TEST_POINT
168_TP
C202
.047uF
NC
L202
2.2uH
C209
0.1uF
C206
0.1uF
0.1uF
C208
F5V_IN
C215
100pF
330pF
C212
330pF
C223
K4
VMULT1
K3
VMULT2
K1
VMULT3
J1
VMULT4
O
RV
2K
J10
WARP
K9
XTAL1
K10
XTAL2
A9
TEST1
A8
TEST2
VBYPASS
G6
2A
PCV
4
D
DDV
1D
D
V
7K
2DDV
01
C
3DDV
0
1
A
F7
NC3
D10
PREIN
B10
PVREF
G5
REFSEL
G10
SFBASE
H10
SFCAP
E10
SFIN
G7
SFOUT
A4
IADAPT
K5
INDMULT
A5
IOUT
LOCK
E1
H1
MODIN
A6
MODOUT
G4
NC1
F10
NC2
CPB2
A7
F1
DATA
EN_CEX
G1
K6
FREFOUT
DNG
4
E
1
DNG
8
K
2DNG
7
E
3
D
NG
5
D
A3
ADAPTSW
A1
AUX1
B1
AUX2
C1
AUX3
D1
AUX4
D6
CCOMP
CLK_CLK
F4
CPB1
D7
F5V_IN
U202
1
2.2uH
L201
A3
3
K1
2
K2
1
K3
TEST_POINT
TP36
D202
4
A1
5
A2
6
4
A1
5
A2
6
A3
K1
3
2
K2
1
K3
DNG
2
OUT
3
C
CV
4
VCON
1
D201
Y200
R201
82
C213
0.1uF
F5V_IN
C219
10uF
C203
.047uF
C200
4700pF
F5V_IN
ANA_3V
NC
NC
NC
0.1uF
C243
L206
2.2uH
NC
100pF
C247
100pF
4.6VSF_OUT
NC
10K
C235
0.1uF
R215
C217
C239
R207
330pF
2.2uH
1K
0.1uF
L204
C232
C238
0.1uF
C207
0.1uF
5.1K
R208
5.1K
R210
C201
10K
R206
NC
0.1uF
C246
2.2uF
R216
100
R202
680
2000pF
C204
C210
10uF
39K
ANA_3V
L205
1uH
R205
68pF
C249
F5V_IN
ANA_3V
VMULT1
16.8MHz
SPI_CLK
LOCK
VCTRL
PRES_IN
TRB
SYN_SEL
MODIN
SPI_DATA

Table of Contents

Related product manuals