EasyManua.ls Logo

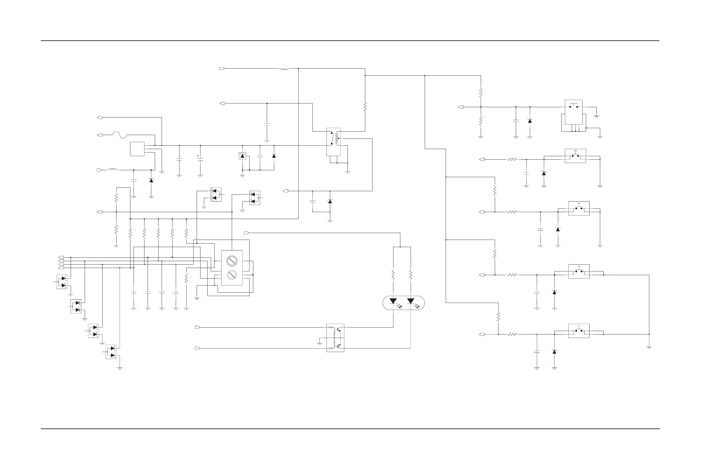
Motorola ATS 3000 - Figure 9.2-30. PMLE2537 G RF Controls Schematic

Motorola ATS 3000
914 pages
Print Icon
To Next Page IconTo Next Page
To Next Page IconTo Next Page
To Previous Page IconTo Previous Page
To Previous Page IconTo Previous Page
Loading...
UHF1 Schematics, Board Overlays, and Parts Lists 9.2-31
6816985H01-F February 14, 2012
Figure 9.2-30. PMLE2537G RF Controls Schematic
VR508
5.6V
5.6V
VR511
VR510
5.6V
5.6V
VR509
RTA2
RTA1
RTA0
RTA3
C528
100pF
1
2
6.8V
VR500
R522
47K
L500
390nH
TG2_SEC_CLEAR
BATT_CODE
B500
DATA
NEG
POS
3A
24V
F500
RAW_B+
UNSW_B+_1
100pF
C504
VR501
10V
10uF
C524
D500
1000pF
C529
C505
0.47uF
MECH_SW
L501
2.2uH
ABACUS_3V
6.8K
R505
2
SWITCH
S501
4
LOW
15
3
HIGH
TAB1
6
TAB2
7
100pF
C520
VR502
6.8V
5.6V
VR513
VR512
5.6V
VOL
2
S2
4
S4
8
S8
A
AB
B
C1
C1
C2
C2
C3
C3
1
S1
S500
SWITCH
RFSW_B+
C501
100pF
C503
100pF
47K
R519
100pF
C502C500
100pF
GREEN_LED
RED_LED
10K
R516
R514
10K 10K
R515
R523
47K
R513
10K
R518
10K
3
4
Q501
4.7K
47K
47K
4.7K
DTr1
DTr2
1
2
5
510
R504
LNJ115W8P0MT
D501
RED
GRN
390
R503
24
TAB1
1
TAB2
3
TAB3
5
TAB4
6
TAB5
7
SWITCH
S502
1
A1
3
A2
2
B1
4
B2
S503
SWITCH
.01uF
C551
R512
47K
10K
R511
VR507
6.8V
EMERGENCY
2
B1
4
B2
S504
SWITCH
1
A1
3
A2
C550
.01uF
VR504
6.8V
100
R507
100
R508
VR503
6.8V
.01uF
C507
R525
10K
SB3
PTT
3
A2
2
B1
4
B2
SWITCH
S505
1
A1
R526
10K
.01uF
C508
6.8V
VR505
R509
100
SB2
1
A1
3
A2
2
B1
4
B2
SWITCH
S506
VR506
6.8V
.01uF
C509
R510
100
10K
R517
SB1

Table of Contents

Related product manuals