EasyManua.ls Logo

Omron SYSMAC C200HS - Page 152

Omron SYSMAC C200HS
230 pages
Print Icon
To Next Page IconTo Next Page
To Next Page IconTo Next Page
To Previous Page IconTo Previous Page
To Previous Page IconTo Previous Page
Loading...
Appendix BSpecifications
138
Transistor Output Unit C200H-OD411
Max. Switching Capacity 12 to 48 VDC 1 A (3 A/Unit)
Min. Switching Capacity None
Leakage Current 0.1 mA max.
Residual Voltage 1.4 V max.
ON Response Time 0.2 ms max.
OFF Response Time 0.3 ms max.
No. of Circuits 1 (8 points/common)
Internal Current Consumption 140 mA 5 VDC max.
Fuse Rating 5 A 125 V (5.2-dia.x20)
Power for External Supply 30 mA 12 to 48 VDC min.
Weight 250 g max.
Dimensions A-shape
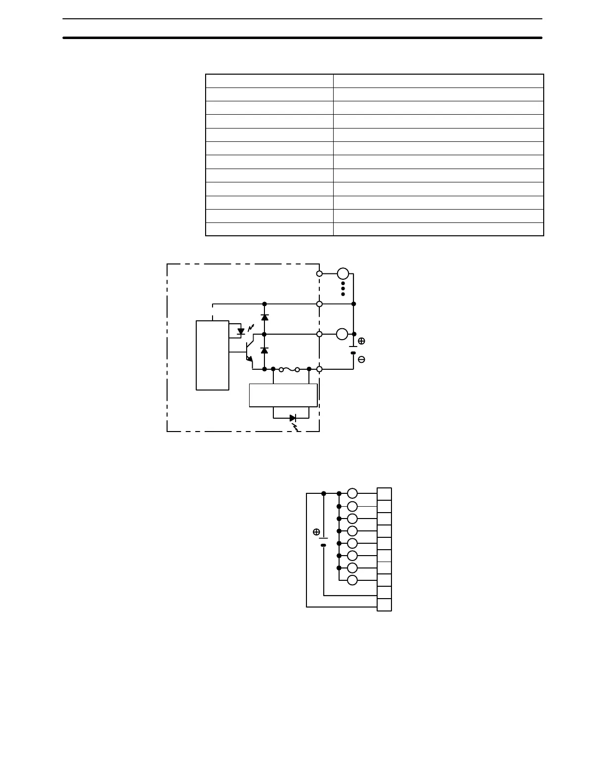
Circuit Configuration
Internal
Circuit
L
OUT
COM
OUT
L
F indicator
Fuse blowout
detection circuit
V
Fuse
12 to
48 VDC
Output indicator
Fuse: GSS (Nagasawa)
5 A 125 V 5.2-dia 20
Note When the fuse blows, the F indicator lights and bit 08 turns ON. Bits 08 through 15 cannot be used as IR bits.
Terminal Connections
A0
A1
A2
A3
A4
A5
A6
A7
A8
A9
0
1
2
3
4
5
6
7
L
L
L
L
L
L
L
L
COM (OV)
12 to 48 VDC
12 to 48 VDC
(1 A max., 3 A/Unit)
Note Be sure to supply power to A9; otherwise current will leak through the load while the output is OFF.

Table of Contents

Other manuals for Omron SYSMAC C200HS

Related product manuals